U.S. flag

An official website of the United States government

Official websites use .gov
A .gov website belongs to an official government organization in the United States.

Secure .gov websites use HTTPS
A lock ( ) or https:// means you’ve safely connected to the .gov website. Share sensitive information only on official, secure websites.

Photo of houses along Bigelow Street

Property Database

24 Mt Auburn St

Property Information

Property Class 4-8-UNIT-APT
State Class Code 111
Zoning (Unofficial) C-1
Map/Lot 132-6
Land Area (sq. ft) 4,222

Property Value

Year of Assessment2026
Tax DistrictC7
Residential ExemptionYes
Building Value$969,100
Land Value$1,153,700
Assessed Value$2,122,800
Sale Price$350,000
Book/Page26024/381
Sale DateFebruary 2, 1996
Previous Assessed Value$2,138,400

Owner Information

Owner(s)POST, ROSALIE N. &
THOMAS F. O'LEARY
7 ATHENS ST
CAMBRIDGE, MA 02138

Building Information

Commercial Building Number 1, Section 1

Exterior
StyleMULT-RESDNCE
Occupancy 4-8-UNIT-APT
Number of Stories2.75
Exterior Wall Type FRAME-CLAPBD
Roof Material ASPHALT-SHNG
Wall Height 12
Partititions AVERAGE
Interior
Living Area (sq. ft.)4,868
Number of Units 4
Systems
Heat TypeHOT-WATER
Heat Fuel Gas
Plumbing AVERAGE
Condition & Grade
Year Built1858
Overall ConditionGood
Overall GradeAverage
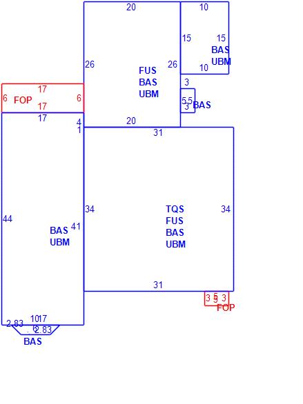
Subareas
Code Description Gross Area Living Area
BAS First Floor 2,503 2,503
FOP Porch, Open 117 0
FUS Upper Story, Finished 1,574 1,574
TQS Three Quarter Story 1,054 791
UBM Basement 2,472 0
Total: 7,720 4,868

Photos

(Click on a photo to view it at full size)

Sketches

(Click on a sketch to view it at full size)

Related Information

This page contains much of the information used by the City of Cambridge to assess properties. The purpose of this information is to be used only for ad valorem taxation purposes and any other use is therefore not valid.

Page was last modified on 3/8/2021 6:22 PM
Contact Us

How can we help?

Please provide as much detail below as possible so City staff can respond to your inquiry:

As a governmental entity, the Massachusetts Public Records Law applies to records made or received by the City. Any information received through use of this site is subject to the same provisions as information provided on paper.

Read our complete privacy statement


Service Requests

Enter a service request via SeeClickFix for things like missed trash pickups, potholes, etc.