U.S. flag

An official website of the United States government

Official websites use .gov
A .gov website belongs to an official government organization in the United States.

Secure .gov websites use HTTPS
A lock ( ) or https:// means you’ve safely connected to the .gov website. Share sensitive information only on official, secure websites.

Photo of houses along Bigelow Street

Property Database

37 Trowbridge St

Property Information

Property Class SNGL-FAM-RES
State Class Code 101
Zoning (Unofficial) C-1
Map/Lot 135-17
Land Area (sq. ft) 5,135

Property Value

Year of Assessment2026
Tax DistrictR4
Residential ExemptionYes
Building Value$2,111,600
Land Value$1,446,000
Assessed Value$3,557,600
Sale Price$1
Book/Page66639/339
Sale DateJanuary 7, 2016
Previous Assessed Value$3,486,400

Owner Information

Owner(s)TRUOG, ROBERT D. & AMY W. TRUOG, TRS
THE TRUOG FAM REV LIV TRUST
37 TROWBRIDGE ST
CAMBRIDGE, MA 02138

Building Information

Residential Building Number 1, Section 1

Exterior
StyleVICTORIAN
Occupancy SNGL-FAM-RES
Number of Stories2
Exterior Wall Type Frame-Clapbrd
Roof Type Mansard
Roof Material Slate Clay
Interior
Living Area (sq. ft.)2,955
Number of Units 1
Total Rooms 7
Bedrooms 4
Kitchens 1
Full Baths 2
Half Baths 1
Fireplaces 1
Systems
Heat TypeForced Air
Heat Fuel Gas
Central A/C Yes
Condition & Grade
Year Built1871
Interior Condition Excellent
Overall ConditionExcellent
Overall GradeGood
Parking
Open Parking2
Covered Parking0
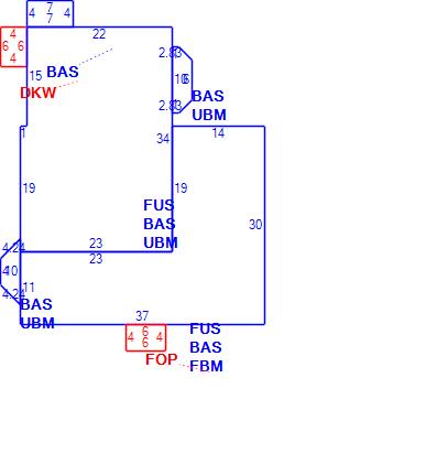
Subareas
Code Description Gross Area Living Area
BAS First Floor 1,515 1,515
DKW Deck Wood 24 0
FBM Basement, Finished 673 0
FOP Porch, Open 24 0
FUS Upper Story, Finished 1,440 1,440
UBM Basement 814 0
Total: 4,490 2,955

Photos

(Click on a photo to view it at full size)

Sketches

(Click on a sketch to view it at full size)

Related Information

This page contains much of the information used by the City of Cambridge to assess properties. The purpose of this information is to be used only for ad valorem taxation purposes and any other use is therefore not valid.

Page was last modified on 3/8/2021 6:22 PM
Contact Us

How can we help?

Please provide as much detail below as possible so City staff can respond to your inquiry:

As a governmental entity, the Massachusetts Public Records Law applies to records made or received by the City. Any information received through use of this site is subject to the same provisions as information provided on paper.

Read our complete privacy statement


Service Requests

Enter a service request via SeeClickFix for things like missed trash pickups, potholes, etc.