U.S. flag

An official website of the United States government

Official websites use .gov
A .gov website belongs to an official government organization in the United States.

Secure .gov websites use HTTPS
A lock ( ) or https:// means you’ve safely connected to the .gov website. Share sensitive information only on official, secure websites.

Photo of houses along Bigelow Street

Property Database

427 Broadway

Property Information

Property Class THREE-FM-RES
State Class Code 105
Zoning (Unofficial) C-1
Map/Lot 139-1
Land Area (sq. ft) 6,325

Property Value

Year of Assessment2026
Tax DistrictR3
Residential ExemptionNo
Building Value$1,657,500
Land Value$1,208,900
Assessed Value$2,866,400
Sale Price$100
Book/Page80968/436
Sale DateNovember 21, 2022
Previous Assessed Value$2,774,200

Owner Information

Owner(s)PETRELLA, BARBARA A
ALBERT T TAHHAN
27 STEARNS AVE
MEDFORD, MA 02155

Building Information

Residential Building Number 1, Section 1

Exterior
StyleDECKER
Occupancy THREE-FM-RES
Number of Stories3
Exterior Wall Type Asbstos Shingl
Roof Type Flat
Roof Material Tar Gravel
Interior
Living Area (sq. ft.)5,295
Number of Units 3
Total Rooms 18
Bedrooms 9
Kitchens 3
Full Baths 3
Half Baths 0
Fireplaces 0
Systems
Heat TypeSteam
Heat Fuel Gas
Central A/C No
Condition & Grade
Year Built1873
Interior Condition Good
Overall ConditionGood
Overall GradeAverage
Parking
Open Parking0
Covered Parking0
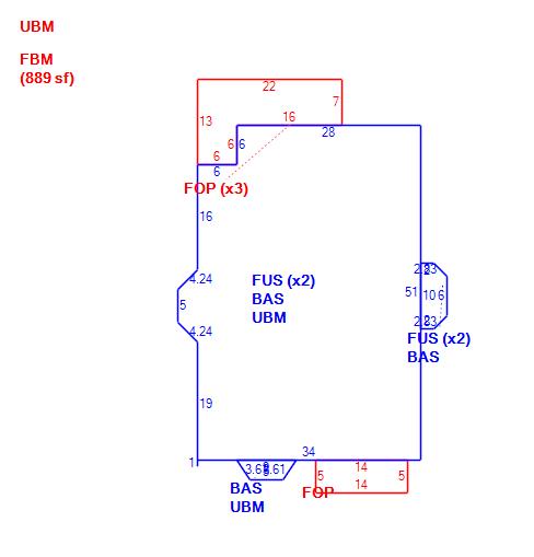
Subareas
Code Description Gross Area Living Area
BAS First Floor 1,779 1,779
FBM Basement, Finished 889 0
FOP Porch, Open 640 0
FUS Upper Story, Finished 3,516 3,516
UBM Basement 854 0
Total: 7,678 5,295

Photos

(Click on a photo to view it at full size)

Sketches

(Click on a sketch to view it at full size)

Related Information

This page contains much of the information used by the City of Cambridge to assess properties. The purpose of this information is to be used only for ad valorem taxation purposes and any other use is therefore not valid.

Page was last modified on 3/8/2021 6:22 PM
Contact Us

How can we help?

Please provide as much detail below as possible so City staff can respond to your inquiry:

As a governmental entity, the Massachusetts Public Records Law applies to records made or received by the City. Any information received through use of this site is subject to the same provisions as information provided on paper.

Read our complete privacy statement


Service Requests

Enter a service request via SeeClickFix for things like missed trash pickups, potholes, etc.