U.S. flag

An official website of the United States government

Official websites use .gov
A .gov website belongs to an official government organization in the United States.

Secure .gov websites use HTTPS
A lock ( ) or https:// means you’ve safely connected to the .gov website. Share sensitive information only on official, secure websites.

Photo of houses along Bigelow Street

Property Database

73 Dana St

Property Information

Property Class >8-UNIT-APT
State Class Code 112
Zoning (Unofficial) C-1
Map/Lot 139-21
Land Area (sq. ft) 11,261

Property Value

Year of Assessment2026
Tax DistrictC6
Residential ExemptionNo
Building Value$4,013,800
Land Value$2,123,000
Assessed Value$6,136,800
Sale Price$1
Book/Page46391/489
Sale DateNovember 1, 2005
Previous Assessed Value$6,181,200

Owner Information

Owner(s)CACCIOLA REALTY, LLC.
90 CLARENDON AVE
SOMERVILLE, MA 02143

Building Information

Commercial Building Number 1, Section 1

Exterior
StyleAPARTMENTS
Occupancy >8-UNIT-APT
Number of Stories3
Exterior Wall Type WOOD-SHN-SHK
Roof Material ASPHALT-SHNG
Wall Height 8
Partititions AVERAGE
Interior
Living Area (sq. ft.)10,466
Number of Units 11
Systems
Heat TypeHOT-WATER
Heat Fuel Oil
Plumbing AVERAGE
Condition & Grade
Year Built1920
Overall ConditionAverage
Overall GradeGood
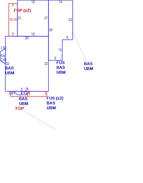
Subareas
Code Description Gross Area Living Area
BAS First Floor 3,529 3,529
FOP Porch, Open 592 0
FUS Upper Story, Finished 6,937 6,937
UBM Basement 3,529 0
Total: 14,587 10,466

Commercial Building Number 2, Section 1

Exterior
StyleMULT-RESDNCE
Occupancy >8-UNIT-APT
Number of Stories3
Exterior Wall Type FRAME-CLAPBD
Roof Material ASPHALT-SHNG
Wall Height 10
Partititions AVERAGE
Interior
Living Area (sq. ft.)3,609
Number of Units 5
Systems
Heat TypeHOT-WATER
Heat Fuel Oil
Plumbing AVERAGE
Condition & Grade
Year Built1920
Overall ConditionAverage
Overall GradeGood
Subareas
Code Description Gross Area Living Area
BAS First Floor 1,631 1,631
FOP Porch, Open 253 0
FUS Upper Story, Finished 1,978 1,978
UBM Basement 1,631 0
Total: 5,493 3,609

Photos

(Click on a photo to view it at full size)

Sketches

(Click on a sketch to view it at full size)

Related Information

This page contains much of the information used by the City of Cambridge to assess properties. The purpose of this information is to be used only for ad valorem taxation purposes and any other use is therefore not valid.

Page was last modified on 3/8/2021 6:22 PM
Contact Us

How can we help?

Please provide as much detail below as possible so City staff can respond to your inquiry:

As a governmental entity, the Massachusetts Public Records Law applies to records made or received by the City. Any information received through use of this site is subject to the same provisions as information provided on paper.

Read our complete privacy statement


Service Requests

Enter a service request via SeeClickFix for things like missed trash pickups, potholes, etc.