U.S. flag

An official website of the United States government

Official websites use .gov
A .gov website belongs to an official government organization in the United States.

Secure .gov websites use HTTPS
A lock ( ) or https:// means you’ve safely connected to the .gov website. Share sensitive information only on official, secure websites.

Photo of houses along Bigelow Street

Property Database

70 Dana St

Property Information

Property Class SNGL-FAM-RES
State Class Code 101
Zoning (Unofficial) C-1
Map/Lot 139-52
Land Area (sq. ft) 4,778

Property Value

Year of Assessment2026
Tax DistrictR3
Residential ExemptionYes
Building Value$2,501,600
Land Value$1,164,200
Assessed Value$3,665,800
Sale Price$1
Book/Page74905/299
Sale DateJune 10, 2020
Previous Assessed Value$3,559,000

Owner Information

Owner(s)SMITH ELISE K &
ROBERT M SMITH JR
70 DANA ST
CAMBRIDGE, MA 02138

Building Information

Residential Building Number 1, Section 1

Exterior
StyleCONVENTIONAL
Occupancy SNGL-FAM-RES
Number of Stories2.25
Exterior Wall Type Wood Shingle
Roof Type Gable
Roof Material Aspahlt Shingl
Interior
Living Area (sq. ft.)2,357
Number of Units 1
Total Rooms 9
Bedrooms 4
Kitchens 1
Full Baths 2
Half Baths 1
Fireplaces 2
Systems
Heat TypeHot Water
Heat Fuel Gas
Central A/C Yes
Condition & Grade
Year Built1865
Interior Condition Superlative
Overall ConditionSuperior
Overall GradeGood Very Good
Parking
Open Parking1
Covered Parking0
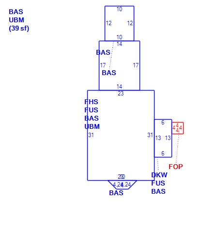
Subareas
Code Description Gross Area Living Area
BAS First Floor 1,209 1,209
DKW Deck Wood 78 0
FHS Half Story, Finished 713 357
FOP Porch, Open 16 0
FUS Upper Story, Finished 791 791
UBM Basement 752 0
Total: 3,559 2,357

Photos

(Click on a photo to view it at full size)

Sketches

(Click on a sketch to view it at full size)

Related Information

This page contains much of the information used by the City of Cambridge to assess properties. The purpose of this information is to be used only for ad valorem taxation purposes and any other use is therefore not valid.

Page was last modified on 3/8/2021 6:22 PM
Contact Us

How can we help?

Please provide as much detail below as possible so City staff can respond to your inquiry:

As a governmental entity, the Massachusetts Public Records Law applies to records made or received by the City. Any information received through use of this site is subject to the same provisions as information provided on paper.

Read our complete privacy statement


Service Requests

Enter a service request via SeeClickFix for things like missed trash pickups, potholes, etc.