U.S. flag

An official website of the United States government

Official websites use .gov
A .gov website belongs to an official government organization in the United States.

Secure .gov websites use HTTPS
A lock ( ) or https:// means you’ve safely connected to the .gov website. Share sensitive information only on official, secure websites.

Photo of houses along Bigelow Street

Property Database

8 Kirkland Pl

Property Information

Property Class SNGL-FAM-RES
State Class Code 101
Zoning (Unofficial) A-2
Map/Lot 145-28
Land Area (sq. ft) 13,367

Property Value

Year of Assessment2026
Tax DistrictR5
Residential ExemptionNo
Building Value$5,517,600
Land Value$2,271,500
Assessed Value$7,789,100
Sale Price$3,729,000
Book/Page1395/23
Sale DateJanuary 7, 2011
Previous Assessed Value$7,532,300

Owner Information

Owner(s)MANUS, DEBORAH J.
TRUSTEE OF BB AND BC REALTY TRUST
8 KIRKLAND PL
CAMBRIDGE, MA 02138

Building Information

Residential Building Number 1, Section 1

Exterior
StyleCONVENTIONAL
Occupancy SNGL-FAM-RES
Number of Stories3
Exterior Wall Type Brick
Roof Type Mansard
Roof Material Slate Clay
Interior
Living Area (sq. ft.)5,323
Number of Units 1
Total Rooms 12
Bedrooms 4
Kitchens 1
Full Baths 3
Half Baths 3
Fireplaces 3
Systems
Heat TypeForced Air
Heat Fuel Gas
Central A/C Yes
Condition & Grade
Year Built2008
Interior Condition Excellent
Overall ConditionExcellent
Overall GradeVery Good
Parking
Open Parking2
Covered Parking1
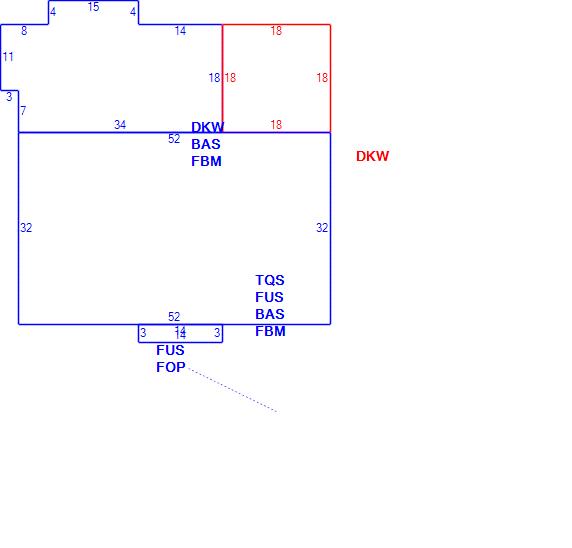
Subareas
Code Description Gross Area Living Area
BAS First Floor 2,369 2,369
DKW Deck Wood 1,029 0
FBM Basement, Finished 2,369 0
FOP Porch, Open 42 0
FUS Upper Story, Finished 1,706 1,706
TQS Three Quarter Story 1,664 1,248
Total: 9,179 5,323
Extra Features / Outbuildings
DescriptionGAR-1.0S
Number of Units384.00
Unit TypeSF

Photos

(Click on a photo to view it at full size)

Sketches

(Click on a sketch to view it at full size)

Related Information

This page contains much of the information used by the City of Cambridge to assess properties. The purpose of this information is to be used only for ad valorem taxation purposes and any other use is therefore not valid.

Page was last modified on 3/8/2021 6:22 PM
Contact Us

How can we help?

Please provide as much detail below as possible so City staff can respond to your inquiry:

As a governmental entity, the Massachusetts Public Records Law applies to records made or received by the City. Any information received through use of this site is subject to the same provisions as information provided on paper.

Read our complete privacy statement


Service Requests

Enter a service request via SeeClickFix for things like missed trash pickups, potholes, etc.