U.S. flag

An official website of the United States government

Official websites use .gov
A .gov website belongs to an official government organization in the United States.

Secure .gov websites use HTTPS
A lock ( ) or https:// means you’ve safely connected to the .gov website. Share sensitive information only on official, secure websites.

Photo of houses along Bigelow Street

Property Database

103 Irving St

Property Information

Property Class SNGL-FAM-RES
State Class Code 101
Zoning (Unofficial) A-2
Map/Lot 146-10
Land Area (sq. ft) 10,516

Property Value

Year of Assessment2026
Tax DistrictR5
Residential ExemptionYes
Building Value$4,634,200
Land Value$2,270,100
Assessed Value$6,904,300
Sale Price$3,700,000
Book/Page52200/523
Sale DateFebruary 6, 2009
Previous Assessed Value$6,711,300

Owner Information

Owner(s)KLARMAN, MICHAEL & LISA LANDSVERK
103 IRVING ST
CAMBRIDGE, MA 02138

Building Information

Residential Building Number 1, Section 1

Exterior
StyleVICTORIAN
Occupancy SNGL-FAM-RES
Number of Stories2.75
Exterior Wall Type Frame-Clapbrd
Roof Type Gable
Roof Material Aspahlt Shingl
Interior
Living Area (sq. ft.)5,671
Number of Units 1
Total Rooms 11
Bedrooms 6
Kitchens 2
Full Baths 4
Half Baths 2
Fireplaces 4
Systems
Heat TypeForced Air
Heat Fuel Oil
Central A/C Yes
Condition & Grade
Year Built1889
Interior Condition Excellent
Overall ConditionExcellent
Overall GradeVery Good
Parking
Open Parking3
Covered Parking1
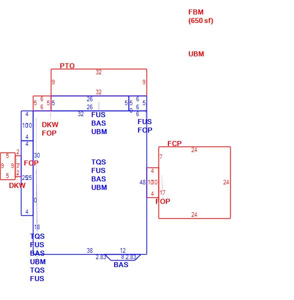
Subareas
Code Description Gross Area Living Area
BAS First Floor 2,074 2,074
DKW Deck Wood 75 0
FBM Basement, Finished 650 0
FCP Carport 576 0
FOP Porch, Open 114 0
FUS Upper Story, Finished 2,124 2,124
PTO Patio 288 0
TQS Three Quarter Story 1,964 1,473
UBM Basement 1,404 0
Total: 9,269 5,671
Extra Features / Outbuildings
DescriptionPATIO-CONCRT
Number of Units500.00
Unit TypeSF
DescriptionSOLAR PANELS
Number of Units25.00
Unit TypeU

Photos

(Click on a photo to view it at full size)

Sketches

(Click on a sketch to view it at full size)

Related Information

This page contains much of the information used by the City of Cambridge to assess properties. The purpose of this information is to be used only for ad valorem taxation purposes and any other use is therefore not valid.

Page was last modified on 3/8/2021 6:22 PM
Contact Us

How can we help?

Please provide as much detail below as possible so City staff can respond to your inquiry:

As a governmental entity, the Massachusetts Public Records Law applies to records made or received by the City. Any information received through use of this site is subject to the same provisions as information provided on paper.

Read our complete privacy statement


Service Requests

Enter a service request via SeeClickFix for things like missed trash pickups, potholes, etc.