U.S. flag

An official website of the United States government

Official websites use .gov
A .gov website belongs to an official government organization in the United States.

Secure .gov websites use HTTPS
A lock ( ) or https:// means you’ve safely connected to the .gov website. Share sensitive information only on official, secure websites.

Photo of houses along Bigelow Street

Property Database

22 Francis Ave

Property Information

Property Class SNGL-FAM-RES
State Class Code 101
Zoning (Unofficial) A-2
Map/Lot 146-53
Land Area (sq. ft) 7,579

Property Value

Year of Assessment2026
Tax DistrictR5
Residential ExemptionNo
Building Value$4,134,000
Land Value$1,945,200
Assessed Value$6,079,200
Sale Price$3,672,500
Book/Page42791/201
Sale DateMay 14, 2004
Previous Assessed Value$5,936,800

Owner Information

Owner(s)MYERS, SAMUEL S. & KELSEY D. WIRTH
22 FRANCIS AVE
CAMBRIDGE, MA 02138

Building Information

Residential Building Number 1, Section 1

Exterior
StyleVICTORIAN
Occupancy SNGL-FAM-RES
Number of Stories2.75
Exterior Wall Type Stucco
Roof Type Gable
Roof Material Slate Clay
Interior
Living Area (sq. ft.)5,042
Number of Units 1
Total Rooms 13
Bedrooms 4
Kitchens 1
Full Baths 3
Half Baths 2
Fireplaces 3
Systems
Heat TypeOther
Heat Fuel Gas
Central A/C Yes
Condition & Grade
Year Built1912
Interior Condition Very Good
Overall ConditionVery Good
Overall GradeVery Good
Parking
Open Parking2
Covered Parking0
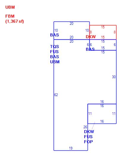
Subareas
Code Description Gross Area Living Area
BAS First Floor 1,954 1,954
DKW Deck Wood 296 0
FBM Basement, Finished 1,367 0
FOP Porch, Open 176 0
FUS Upper Story, Finished 1,840 1,840
TQS Three Quarter Story 1,664 1,248
UBM Basement 297 0
Total: 7,594 5,042

Photos

(Click on a photo to view it at full size)

Sketches

(Click on a sketch to view it at full size)

Related Information

This page contains much of the information used by the City of Cambridge to assess properties. The purpose of this information is to be used only for ad valorem taxation purposes and any other use is therefore not valid.

Page was last modified on 3/8/2021 6:22 PM
Contact Us

How can we help?

Please provide as much detail below as possible so City staff can respond to your inquiry:

As a governmental entity, the Massachusetts Public Records Law applies to records made or received by the City. Any information received through use of this site is subject to the same provisions as information provided on paper.

Read our complete privacy statement


Service Requests

Enter a service request via SeeClickFix for things like missed trash pickups, potholes, etc.