U.S. flag

An official website of the United States government

Official websites use .gov
A .gov website belongs to an official government organization in the United States.

Secure .gov websites use HTTPS
A lock ( ) or https:// means you’ve safely connected to the .gov website. Share sensitive information only on official, secure websites.

Photo of houses along Bigelow Street

Property Database

53 Crescent St

Property Information

Property Class TWO-FAM-RES
State Class Code 104
Zoning (Unofficial) C-1
Map/Lot 150-103
Land Area (sq. ft) 5,642

Property Value

Year of Assessment2026
Tax DistrictR16
Residential ExemptionYes
Building Value$645,700
Land Value$1,267,800
Assessed Value$1,913,500
Sale Price$1
Book/Page50701/329
Sale DateFebruary 8, 2008
Previous Assessed Value$1,877,600

Owner Information

Owner(s)FRANK, KATE SUMMEY TR. OF
THE THOMAS FRANK 2008 LIVING TRUST
53 CRESCENT ST
CAMBRIDGE, MA 02138

Building Information

Residential Building Number 1, Section 1

Exterior
StyleCONVENTIONAL
Occupancy TWO-FAM-RES
Number of Stories2.25
Exterior Wall Type Asbstos Shingl
Roof Type Gable
Roof Material Aspahlt Shingl
Interior
Living Area (sq. ft.)2,084
Number of Units 0
Total Rooms 9
Bedrooms 5
Kitchens 2
Full Baths 3
Half Baths 1
Fireplaces 0
Systems
Heat TypeHot Water
Heat Fuel Gas
Central A/C No
Condition & Grade
Year Built1886
Interior Condition Average
Overall ConditionAverage
Overall GradeAverage
Parking
Open Parking2
Covered Parking0
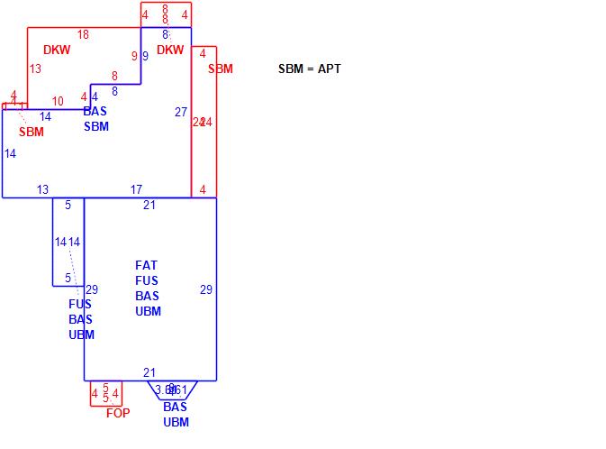
Subareas
Code Description Gross Area Living Area
BAS First Floor 1,253 1,253
DKW Deck Wood 234 0
FAT Finished Attic 609 152
FOP Porch, Open 20 0
FUS Upper Story, Finished 679 679
SBM Semi-Basement Fin 656 0
UBM Basement 697 0
Total: 4,148 2,084
Extra Features / Outbuildings
DescriptionSOLAR PANELS
Number of Units25.00
Unit TypeUNIT

Photos

(Click on a photo to view it at full size)

Sketches

(Click on a sketch to view it at full size)

Related Information

This page contains much of the information used by the City of Cambridge to assess properties. The purpose of this information is to be used only for ad valorem taxation purposes and any other use is therefore not valid.

Page was last modified on 3/8/2021 6:22 PM
Contact Us

How can we help?

Please provide as much detail below as possible so City staff can respond to your inquiry:

As a governmental entity, the Massachusetts Public Records Law applies to records made or received by the City. Any information received through use of this site is subject to the same provisions as information provided on paper.

Read our complete privacy statement


Service Requests

Enter a service request via SeeClickFix for things like missed trash pickups, potholes, etc.