U.S. flag

An official website of the United States government

Official websites use .gov
A .gov website belongs to an official government organization in the United States.

Secure .gov websites use HTTPS
A lock ( ) or https:// means you’ve safely connected to the .gov website. Share sensitive information only on official, secure websites.

Photo of houses along Bigelow Street

Property Database

15 Crescent St

Property Information

Property Class SNGL-FAM-RES
State Class Code 101
Zoning (Unofficial) C-1
Map/Lot 150-139
Land Area (sq. ft) 5,715

Property Value

Year of Assessment2026
Tax DistrictR16
Residential ExemptionYes
Building Value$1,841,400
Land Value$1,344,300
Assessed Value$3,185,700
Sale Price$1,425,000
Book/Page56823/384
Sale DateMay 5, 2011
Previous Assessed Value$3,122,600

Owner Information

Owner(s)FRANK, JOHN R. , TRUSTEE OF
15 CRESCENT STREET TRUST.
15 CRESCENT ST
CAMBRIDGE, MA 02138

Building Information

Residential Building Number 1, Section 1

Exterior
StyleCOLONIAL
Occupancy SNGL-FAM-RES
Number of Stories2.25
Exterior Wall Type Frame-Clapbrd
Roof Type Hip
Roof Material Aspahlt Shingl
Interior
Living Area (sq. ft.)2,719
Number of Units 0
Total Rooms 9
Bedrooms 4
Kitchens 1
Full Baths 3
Half Baths 1
Fireplaces 1
Systems
Heat TypeHot Water
Heat Fuel Gas
Central A/C Yes
Condition & Grade
Year Built1873
Interior Condition Very Good
Overall ConditionVery Good
Overall GradeGood
Parking
Open Parking2
Covered Parking0
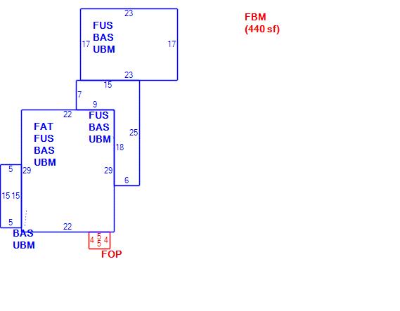
Subareas
Code Description Gross Area Living Area
BAS First Floor 1,317 1,317
FAT Finished Attic 638 160
FBM Basement, Finished 440 0
FOP Porch, Open 20 0
FUS Upper Story, Finished 1,242 1,242
UBM Basement 1,317 0
Total: 4,974 2,719
Extra Features / Outbuildings
DescriptionSHED-IMPLMNT
Number of Units476.00
Unit Type

Photos

(Click on a photo to view it at full size)

Sketches

(Click on a sketch to view it at full size)

Related Information

This page contains much of the information used by the City of Cambridge to assess properties. The purpose of this information is to be used only for ad valorem taxation purposes and any other use is therefore not valid.

Page was last modified on 3/8/2021 6:22 PM
Contact Us

How can we help?

Please provide as much detail below as possible so City staff can respond to your inquiry:

As a governmental entity, the Massachusetts Public Records Law applies to records made or received by the City. Any information received through use of this site is subject to the same provisions as information provided on paper.

Read our complete privacy statement


Service Requests

Enter a service request via SeeClickFix for things like missed trash pickups, potholes, etc.