U.S. flag

An official website of the United States government

Official websites use .gov
A .gov website belongs to an official government organization in the United States.

Secure .gov websites use HTTPS
A lock ( ) or https:// means you’ve safely connected to the .gov website. Share sensitive information only on official, secure websites.

Photo of houses along Bigelow Street

Property Database

130 Oxford St

Property Information

Property Class TWO-FAM-RES
State Class Code 104
Zoning (Unofficial) C-1
Map/Lot 151-14
Land Area (sq. ft) 7,000

Property Value

Year of Assessment2026
Tax DistrictR16
Residential ExemptionYes
Building Value$2,038,000
Land Value$1,404,600
Assessed Value$3,442,600
Sale Price$100
Book/Page72724/585
Sale DateJune 7, 2019
Previous Assessed Value$3,328,700

Owner Information

Owner(s)ANDRADE, SUSAN
130 OXFORD ST
CAMBRIDGE, MA 02140

Building Information

Residential Building Number 1, Section 1

Exterior
StyleVICTORIAN
Occupancy TWO-FAM-RES
Number of Stories3
Exterior Wall Type Frame-Clapbrd
Roof Type Mansard
Roof Material Aspahlt Shingl
Interior
Living Area (sq. ft.)5,708
Number of Units 2
Total Rooms 11
Bedrooms 5
Kitchens 2
Full Baths 3
Half Baths 0
Fireplaces 0
Systems
Heat TypeOther
Heat Fuel Gas
Central A/C No
Condition & Grade
Year Built1873
Interior Condition Good
Overall ConditionGood
Overall GradeGood
Parking
Open Parking0
Covered Parking2
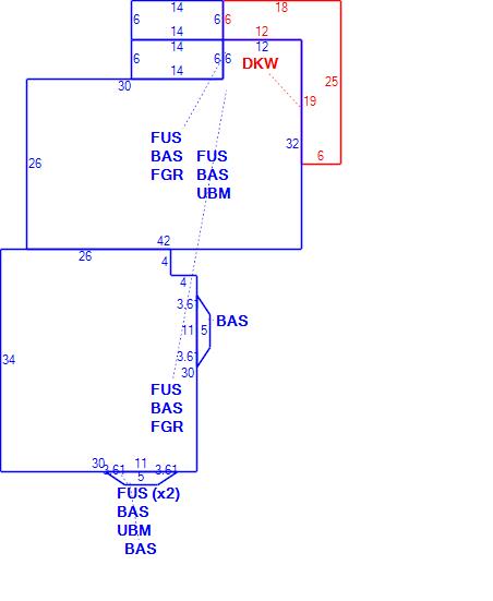
Subareas
Code Description Gross Area Living Area
BAS First Floor 2,368 2,368
DKW Deck Wood 222 0
FGR Garage 168 0
FUS Upper Story, Finished 3,340 3,340
UBM Basement 2,168 0
Total: 8,266 5,708

Photos

(Click on a photo to view it at full size)

Sketches

(Click on a sketch to view it at full size)

Related Information

This page contains much of the information used by the City of Cambridge to assess properties. The purpose of this information is to be used only for ad valorem taxation purposes and any other use is therefore not valid.

Page was last modified on 3/8/2021 6:22 PM
Contact Us

How can we help?

Please provide as much detail below as possible so City staff can respond to your inquiry:

As a governmental entity, the Massachusetts Public Records Law applies to records made or received by the City. Any information received through use of this site is subject to the same provisions as information provided on paper.

Read our complete privacy statement


Service Requests

Enter a service request via SeeClickFix for things like missed trash pickups, potholes, etc.