U.S. flag

An official website of the United States government

Official websites use .gov
A .gov website belongs to an official government organization in the United States.

Secure .gov websites use HTTPS
A lock ( ) or https:// means you’ve safely connected to the .gov website. Share sensitive information only on official, secure websites.

Photo of houses along Bigelow Street

Property Database

15 Prentiss St

Property Information

Property Class 4-8-UNIT-APT
State Class Code 111
Zoning (Unofficial) B
Map/Lot 154-59
Land Area (sq. ft) 3,005

Property Value

Year of Assessment2026
Tax DistrictC8
Residential ExemptionNo
Building Value$1,006,400
Land Value$1,442,100
Assessed Value$2,448,500
Sale Price$10
Book/Page1611/62
Sale DateFebruary 7, 2024
Previous Assessed Value$2,466,800

Owner Information

Owner(s)15 PRENTISS STREET LLC
51 BAKERS HILL RD
WESTON, MA 02493

Building Information

Commercial Building Number 1, Section 1

Exterior
StyleMULT-RESDNCE
Occupancy 4-8-UNIT-APT
Number of Stories2.75
Exterior Wall Type ALUMNM-VINYL
Roof Material ASPHALT-SHNG
Wall Height 10
Partititions AVERAGE
Interior
Living Area (sq. ft.)3,085
Number of Units 5
Systems
Heat TypeHOT-WATER
Heat Fuel Oil
Plumbing AVERAGE
Condition & Grade
Year Built1920
Overall ConditionAverage
Overall GradeGood
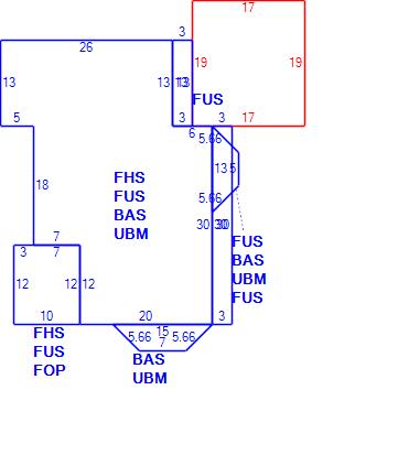
Subareas
Code Description Gross Area Living Area
BAS First Floor 1,144 1,144
FHS Half Story, Finished 1,184 592
FOP Porch, Open 120 0
FUS Upper Story, Finished 1,349 1,349
GA1 Garage 362 0
UBM Basement 1,144 0
Total: 5,303 3,085

Photos

(Click on a photo to view it at full size)

Sketches

(Click on a sketch to view it at full size)

Related Information

This page contains much of the information used by the City of Cambridge to assess properties. The purpose of this information is to be used only for ad valorem taxation purposes and any other use is therefore not valid.

Page was last modified on 3/8/2021 6:22 PM
Contact Us

How can we help?

Please provide as much detail below as possible so City staff can respond to your inquiry:

As a governmental entity, the Massachusetts Public Records Law applies to records made or received by the City. Any information received through use of this site is subject to the same provisions as information provided on paper.

Read our complete privacy statement


Service Requests

Enter a service request via SeeClickFix for things like missed trash pickups, potholes, etc.