U.S. flag

An official website of the United States government

Official websites use .gov
A .gov website belongs to an official government organization in the United States.

Secure .gov websites use HTTPS
A lock ( ) or https:// means you’ve safely connected to the .gov website. Share sensitive information only on official, secure websites.

Photo of houses along Bigelow Street

Property Database

28 Garfield St

Property Information

Property Class SNGL-FAM-RES
State Class Code 101
Zoning (Unofficial) B
Map/Lot 155-3
Land Area (sq. ft) 7,150

Property Value

Year of Assessment2026
Tax DistrictR16
Residential ExemptionNo
Building Value$3,111,800
Land Value$1,429,500
Assessed Value$4,541,300
Sale Price$1
Book/Page60849/302
Sale DateDecember 28, 2012
Previous Assessed Value$4,434,200

Owner Information

Owner(s)REDDI, REKHA P., TRUSTEE
THE REDDI NOMINEE TRUST
14008 OUTLOOK STREET
OVERLAND PARK, KS 66223

Building Information

Residential Building Number 1, Section 1

Exterior
StyleVICTORIAN
Occupancy SNGL-FAM-RES
Number of Stories2.5
Exterior Wall Type Frame-Clapbrd
Roof Type Gable
Roof Material Slate Clay
Interior
Living Area (sq. ft.)3,758
Number of Units 1
Total Rooms 10
Bedrooms 5
Kitchens 1
Full Baths 5
Half Baths 1
Fireplaces 2
Systems
Heat TypeForced Air
Heat Fuel Gas
Central A/C Yes
Condition & Grade
Year Built1886
Interior Condition Excellent
Overall ConditionExcellent
Overall GradeGood Very Good
Parking
Open Parking2
Covered Parking1
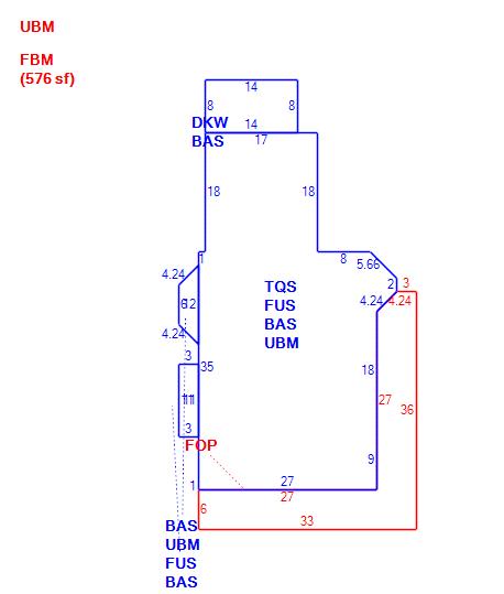
Subareas
Code Description Gross Area Living Area
BAS First Floor 1,464 1,464
DKW Deck Wood 112 0
FBM Basement, Finished 576 0
FOP Porch, Open 374 0
FUS Upper Story, Finished 1,325 1,325
TQS Three Quarter Story 1,292 969
UBM Basement 743 0
Total: 5,886 3,758
Extra Features / Outbuildings
DescriptionGAR-1.0S
Number of Units320.00
Unit TypeSF

Photos

(Click on a photo to view it at full size)

Sketches

(Click on a sketch to view it at full size)

Related Information

This page contains much of the information used by the City of Cambridge to assess properties. The purpose of this information is to be used only for ad valorem taxation purposes and any other use is therefore not valid.

Page was last modified on 3/8/2021 6:22 PM
Contact Us

How can we help?

Please provide as much detail below as possible so City staff can respond to your inquiry:

As a governmental entity, the Massachusetts Public Records Law applies to records made or received by the City. Any information received through use of this site is subject to the same provisions as information provided on paper.

Read our complete privacy statement


Service Requests

Enter a service request via SeeClickFix for things like missed trash pickups, potholes, etc.