U.S. flag

An official website of the United States government

Official websites use .gov
A .gov website belongs to an official government organization in the United States.

Secure .gov websites use HTTPS
A lock ( ) or https:// means you’ve safely connected to the .gov website. Share sensitive information only on official, secure websites.

Photo of houses along Bigelow Street

Property Database

36 Garfield St

Property Information

Property Class SNGL-FAM-RES
State Class Code 101
Zoning (Unofficial) B
Map/Lot 155-5
Land Area (sq. ft) 6,600

Property Value

Year of Assessment2026
Tax DistrictR16
Residential ExemptionYes
Building Value$2,131,300
Land Value$1,382,100
Assessed Value$3,513,400
Sale Price$1,550,000
Book/Page39695/381
Sale DateJune 26, 2003
Previous Assessed Value$3,413,600

Owner Information

Owner(s)LEPORE, JILL M. & TIMOTHY R.LEEK
36 GARFIELD ST
CAMBRIDGE, MA 02138-3895

Building Information

Residential Building Number 1, Section 1

Exterior
StyleVICTORIAN
Occupancy SNGL-FAM-RES
Number of Stories2.75
Exterior Wall Type Frame-Clapbrd
Roof Type Hip
Roof Material Slate Clay
Interior
Living Area (sq. ft.)3,245
Number of Units 1
Total Rooms 11
Bedrooms 6
Kitchens 1
Full Baths 3
Half Baths 1
Fireplaces 0
Systems
Heat TypeHot Water
Heat Fuel Gas
Central A/C Yes
Condition & Grade
Year Built1887
Interior Condition Good
Overall ConditionGood
Overall GradeVery Good Ex
Parking
Open Parking2
Covered Parking0
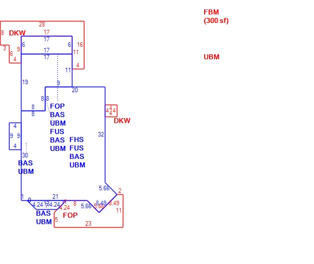
Subareas
Code Description Gross Area Living Area
BAS First Floor 1,449 1,449
DKW Deck Wood 245 0
FBM Basement, Finished 300 0
FHS Half Story, Finished 1,030 515
FOP Porch, Open 292 0
FUS Upper Story, Finished 1,281 1,281
UBM Basement 1,149 0
Total: 5,746 3,245
Extra Features / Outbuildings
DescriptionSHED-EQUPMNT
Number of Units60.00
Unit TypeU

Photos

(Click on a photo to view it at full size)

Sketches

(Click on a sketch to view it at full size)

Related Information

This page contains much of the information used by the City of Cambridge to assess properties. The purpose of this information is to be used only for ad valorem taxation purposes and any other use is therefore not valid.

Page was last modified on 3/8/2021 6:22 PM
Contact Us

How can we help?

Please provide as much detail below as possible so City staff can respond to your inquiry:

As a governmental entity, the Massachusetts Public Records Law applies to records made or received by the City. Any information received through use of this site is subject to the same provisions as information provided on paper.

Read our complete privacy statement


Service Requests

Enter a service request via SeeClickFix for things like missed trash pickups, potholes, etc.