U.S. flag

An official website of the United States government

Official websites use .gov
A .gov website belongs to an official government organization in the United States.

Secure .gov websites use HTTPS
A lock ( ) or https:// means you’ve safely connected to the .gov website. Share sensitive information only on official, secure websites.

Photo of houses along Bigelow Street

Property Database

1637-1653 Massachusetts Ave

Property Information

Property Class BOARDING-HSE
State Class Code 121
Zoning (Unofficial) C-2A
Map/Lot 156-26
Land Area (sq. ft) 42,820

Property Value

Year of Assessment2026
Tax DistrictC8
Residential ExemptionNo
Building Value$14,456,000
Land Value$10,730,300
Assessed Value$25,186,300
Sale Price$3,000,000
Book/Page19833/201
Sale DateOctober 20, 1988
Previous Assessed Value$25,035,500

Owner Information

Owner(s)PRESIDENT & FELLOWS OF HARVARD COLLEGE
C/O HARVARD REAL ESTATE, INC.
HOLYOKE CENTER, ROOM 1017
1350 MASS. AVE.
CAMBRIDGE, MA 02138

Building Information

Commercial Building Number 1, Section 1

Exterior
StyleDORMITORY
Occupancy BOARDING-HSE
Number of Stories6
Exterior Wall Type BRICK-VENEER
Roof Material TAR-GRAVEL
Wall Height 12
Partititions GOOD
Interior
Living Area (sq. ft.)56,604
Number of Units 141
Systems
Heat TypeHOT-WATER
Heat Fuel Gas
Plumbing GOOD
Condition & Grade
Year Built1960
Overall ConditionGood
Overall GradeGood
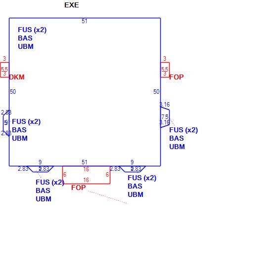
Subareas
Code Description Gross Area Living Area
BAS First Floor 8,938 8,938
F_3 Upper Finish 3 180 540
F_4 Upper Finish 4 Stry 1,476 5,904
F_5 Upper Finish 5 Stry 6,670 33,350
FOP Porch, Open 400 0
FUS Upper Story, Finished 7,872 7,872
GA1 Garage 2,624 0
UBM Basement 8,758 0
Total: 36,918 56,604
Extra Features / Outbuildings
DescriptionELEV-PSNGR
Number of Units2.00
Unit TypeU

Commercial Building Number 2, Section 1

Exterior
StyleDORMITORY
Occupancy BOARDING-HSE
Number of Stories2
Exterior Wall Type FRAME-CLAPBD
Roof Material SLATE-CLAY
Wall Height 10
Partititions EXCELLENT
Interior
Living Area (sq. ft.)1,440
Number of Units 0
Systems
Heat TypeFORCED-AIR
Heat Fuel Gas
Plumbing EXCELLENT
Condition & Grade
Year Built2008
Overall ConditionExcellent
Overall GradeGood
Subareas
Code Description Gross Area Living Area
BAS First Floor 720 720
FUS Upper Story, Finished 720 720
UBM Basement 720 0
Total: 2,160 1,440

Commercial Building Number 3, Section 1

Exterior
StyleDORMITORY
Occupancy BOARDING-HSE
Number of Stories3
Exterior Wall Type FRAME-CLAPBD
Roof Material SLATE-CLAY
Wall Height 10
Partititions GOOD
Interior
Living Area (sq. ft.)3,443
Number of Units 7
Systems
Heat TypeFORCED-AIR
Heat Fuel Gas
Plumbing GOOD
Condition & Grade
Year Built2008
Overall ConditionExcellent
Overall GradeGood-v-good
Subareas
Code Description Gross Area Living Area
BAS First Floor 1,143 1,143
FOP Porch, Open 98 0
FUS Upper Story, Finished 2,300 2,300
UBM Basement 1,157 0
Total: 4,698 3,443

Commercial Building Number 4, Section 1

Exterior
StyleDORMITORY
Occupancy BOARDING-HSE
Number of Stories3
Exterior Wall Type FRAME-CLAPBD
Roof Material SLATE-CLAY
Wall Height 10
Partititions GOOD
Interior
Living Area (sq. ft.)7,830
Number of Units 0
Systems
Heat TypeFORCED-AIR
Heat Fuel Gas
Plumbing GOOD
Condition & Grade
Year Built2008
Overall ConditionExcellent
Overall GradeGood-v-good
Subareas
Code Description Gross Area Living Area
BAS First Floor 2,610 2,610
DKM Deck Masonry 15 0
FOP Porch, Open 111 0
FUS Upper Story, Finished 5,220 5,220
UBM Basement 2,610 0
Total: 10,566 7,830

Photos

(Click on a photo to view it at full size)

Sketches

(Click on a sketch to view it at full size)

Related Information

This page contains much of the information used by the City of Cambridge to assess properties. The purpose of this information is to be used only for ad valorem taxation purposes and any other use is therefore not valid.

Page was last modified on 3/8/2021 6:22 PM
Contact Us

How can we help?

Please provide as much detail below as possible so City staff can respond to your inquiry:

As a governmental entity, the Massachusetts Public Records Law applies to records made or received by the City. Any information received through use of this site is subject to the same provisions as information provided on paper.

Read our complete privacy statement


Service Requests

Enter a service request via SeeClickFix for things like missed trash pickups, potholes, etc.