U.S. flag

An official website of the United States government

Official websites use .gov
A .gov website belongs to an official government organization in the United States.

Secure .gov websites use HTTPS
A lock ( ) or https:// means you’ve safely connected to the .gov website. Share sensitive information only on official, secure websites.

Photo of houses along Bigelow Street

Property Database

5-7 Wendell St

Property Information

Property Class >8-UNIT-APT
State Class Code 112
Zoning (Unofficial) C-1
Map/Lot 156-100
Land Area (sq. ft) 6,758

Property Value

Year of Assessment2026
Tax DistrictC8
Residential ExemptionNo
Building Value$2,277,200
Land Value$2,288,200
Assessed Value$4,565,400
Sale Price$0
Book/Page21584/307
Sale DateDecember 5, 1991
Previous Assessed Value$4,599,300

Owner Information

Owner(s)BOLOGNE, JOSEPH, TR.
OF L.A.B. TRUST
105 MYRTLE STREET
METHUEN, MA 01844

Building Information

Commercial Building Number 1, Section 1

Exterior
StyleMULT-RESDNCE
Occupancy >8-UNIT-APT
Number of Stories3
Exterior Wall Type FRAME-CLAPBD
Roof Material TILE
Wall Height 12
Partititions AVERAGE
Interior
Living Area (sq. ft.)6,582
Number of Units 12
Systems
Heat TypeSTEAM
Heat Fuel Oil
Plumbing AVERAGE
Condition & Grade
Year Built1900
Overall ConditionGood
Overall GradeGood
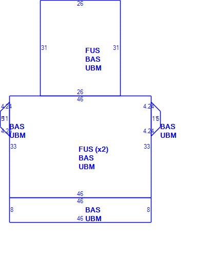
Subareas
Code Description Gross Area Living Area
BAS First Floor 2,740 2,740
FUS Upper Story, Finished 3,842 3,842
UBM Basement 2,740 0
Total: 9,322 6,582

Photos

(Click on a photo to view it at full size)

Sketches

(Click on a sketch to view it at full size)

Related Information

This page contains much of the information used by the City of Cambridge to assess properties. The purpose of this information is to be used only for ad valorem taxation purposes and any other use is therefore not valid.

Page was last modified on 3/8/2021 6:22 PM
Contact Us

How can we help?

Please provide as much detail below as possible so City staff can respond to your inquiry:

As a governmental entity, the Massachusetts Public Records Law applies to records made or received by the City. Any information received through use of this site is subject to the same provisions as information provided on paper.

Read our complete privacy statement


Service Requests

Enter a service request via SeeClickFix for things like missed trash pickups, potholes, etc.