U.S. flag

An official website of the United States government

Official websites use .gov
A .gov website belongs to an official government organization in the United States.

Secure .gov websites use HTTPS
A lock ( ) or https:// means you’ve safely connected to the .gov website. Share sensitive information only on official, secure websites.

Photo of houses along Bigelow Street

Property Database

140 Otis St

Property Information

Property Class TWO-FAM-RES
State Class Code 104
Zoning (Unofficial) C-1
Map/Lot 25-1
Land Area (sq. ft) 3,500

Property Value

Year of Assessment2026
Tax DistrictR1
Residential ExemptionNo
Building Value$3,668,400
Land Value$728,900
Assessed Value$4,397,300
Sale Price$2,075,000
Book/Page81630/460
Sale DateJune 8, 2023
Previous Assessed Value$1,835,500

Owner Information

Owner(s)ZHANG, WEI , CHUNHUA GUAN
CHEN, YUN & JIHONG SUN
16 HAMPSHIRE RD
WELLESLEY, MA 02481

Building Information

Residential Building Number 1, Section 1

Exterior
StyleCONVENTIONAL
Occupancy TWO-FAM-RES
Number of Stories2.75
Exterior Wall Type Frame-Clapbrd
Roof Type Hip
Roof Material Aspahlt Shingl
Interior
Living Area (sq. ft.)6,026
Number of Units 2
Total Rooms 16
Bedrooms 6
Kitchens 2
Full Baths 8
Half Baths 2
Fireplaces 0
Systems
Heat TypeForced Air
Heat Fuel Gas
Central A/C Yes
Condition & Grade
Year Built1896
Interior Condition Excellent
Overall ConditionExcellent
Overall GradeGood
Parking
Open Parking2
Covered Parking0
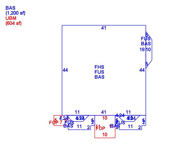
Subareas
Code Description Gross Area Living Area
BAS First Floor 3,230 3,230
FHS Half Story, Finished 1,804 902
FOP Porch, Open 145 0
FUS Upper Story, Finished 1,894 1,894
UBM Basement 604 0
Total: 7,677 6,026

Photos

(Click on a photo to view it at full size)

Sketches

(Click on a sketch to view it at full size)

Related Information

This page contains much of the information used by the City of Cambridge to assess properties. The purpose of this information is to be used only for ad valorem taxation purposes and any other use is therefore not valid.

Page was last modified on 3/8/2021 6:22 PM
Contact Us

How can we help?

Please provide as much detail below as possible so City staff can respond to your inquiry:

As a governmental entity, the Massachusetts Public Records Law applies to records made or received by the City. Any information received through use of this site is subject to the same provisions as information provided on paper.

Read our complete privacy statement


Service Requests

Enter a service request via SeeClickFix for things like missed trash pickups, potholes, etc.