U.S. flag

An official website of the United States government

Official websites use .gov
A .gov website belongs to an official government organization in the United States.

Secure .gov websites use HTTPS
A lock ( ) or https:// means you’ve safely connected to the .gov website. Share sensitive information only on official, secure websites.

Photo of houses along Bigelow Street

Property Database

98 Winthrop St

Property Information

Property Class EATING-ESTBL
State Class Code 326
Zoning (Unofficial) BB-HSQ
Map/Lot 162-18
Land Area (sq. ft) 3,405

Property Value

Year of Assessment2026
Tax DistrictC7
Residential ExemptionNo
Building Value$783,900
Land Value$1,693,100
Assessed Value$2,477,000
Sale Price$1
Book/Page1481/27
Sale DateNovember 16, 2015
Previous Assessed Value$2,859,900

Owner Information

Owner(s)TIMBUKTU REAL ESTATE LLC
10 ELIOT ST
CAMBRIDGE, MA 02138

Building Information

Commercial Building Number 1, Section 1

Exterior
StyleRESTAURANT
Occupancy EATING-ESTBL
Number of Stories2
Exterior Wall Type WOOD-SHN-SHK
Roof Material ASPHALT-SHNG
Wall Height 12
Partititions GOOD
Interior
Living Area (sq. ft.)2,892
Number of Units 1
Systems
Heat TypePACKAGE-A/C
Heat Fuel Gas
Plumbing AVERAGE
Condition & Grade
Year Built1900
Overall ConditionExcellent
Overall GradeGood-v-good
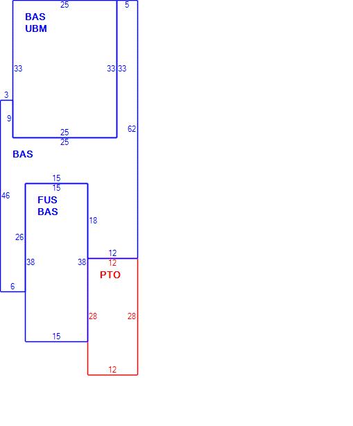
Subareas
Code Description Gross Area Living Area
BAS First Floor 2,322 2,322
FUS Upper Story, Finished 570 570
PTO Patio 336 0
UBM Basement 825 0
Total: 4,053 2,892

Photos

(Click on a photo to view it at full size)

Sketches

(Click on a sketch to view it at full size)

Related Information

This page contains much of the information used by the City of Cambridge to assess properties. The purpose of this information is to be used only for ad valorem taxation purposes and any other use is therefore not valid.

Page was last modified on 3/8/2021 6:22 PM
Contact Us

How can we help?

Please provide as much detail below as possible so City staff can respond to your inquiry:

As a governmental entity, the Massachusetts Public Records Law applies to records made or received by the City. Any information received through use of this site is subject to the same provisions as information provided on paper.

Read our complete privacy statement


Service Requests

Enter a service request via SeeClickFix for things like missed trash pickups, potholes, etc.