U.S. flag

An official website of the United States government

Official websites use .gov
A .gov website belongs to an official government organization in the United States.

Secure .gov websites use HTTPS
A lock ( ) or https:// means you’ve safely connected to the .gov website. Share sensitive information only on official, secure websites.

Photo of houses along Bigelow Street

Property Database

7 Concord Ave

Property Information

Property Class SNGL-FAM-RES
State Class Code 101
Zoning (Unofficial) A-1
Map/Lot 172-49
Land Area (sq. ft) 3,740

Property Value

Year of Assessment2026
Tax DistrictR6
Residential ExemptionYes
Building Value$1,795,500
Land Value$1,346,000
Assessed Value$3,141,500
Sale Price$1,550,000
Book/Page47715/508
Sale DateJune 28, 2006
Previous Assessed Value$3,057,400

Owner Information

Owner(s)NEUMAN, GERALD L. & CAROL JONES NEUMAN
7 CONCORD AVE
CAMBRIDGE, MA 02138-3601

Building Information

Residential Building Number 1, Section 1

Exterior
StyleCOLONIAL
Occupancy SNGL-FAM-RES
Number of Stories2.5
Exterior Wall Type Frame-Clapbrd
Roof Type Hip
Roof Material Aspahlt Shingl
Interior
Living Area (sq. ft.)3,269
Number of Units 1
Total Rooms 11
Bedrooms 5
Kitchens 1
Full Baths 3
Half Baths 1
Fireplaces 1
Systems
Heat TypeForced Air
Heat Fuel Gas
Central A/C Yes
Condition & Grade
Year Built1886
Interior Condition Good
Overall ConditionGood
Overall GradeGood Very Good
Parking
Open Parking1
Covered Parking1
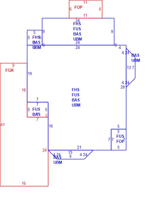
Subareas
Code Description Gross Area Living Area
BAS First Floor 1,350 1,350
FGR Garage 530 0
FHS Half Story, Finished 1,249 625
FOP Porch, Open 101 0
FUS Upper Story, Finished 1,294 1,294
UBM Basement 1,315 0
Total: 5,839 3,269
Extra Features / Outbuildings
DescriptionPATIO-CONCRT
Number of Units60.00
Unit TypeSF

Photos

(Click on a photo to view it at full size)

Sketches

(Click on a sketch to view it at full size)

Related Information

This page contains much of the information used by the City of Cambridge to assess properties. The purpose of this information is to be used only for ad valorem taxation purposes and any other use is therefore not valid.

Page was last modified on 3/8/2021 6:22 PM
Contact Us

How can we help?

Please provide as much detail below as possible so City staff can respond to your inquiry:

As a governmental entity, the Massachusetts Public Records Law applies to records made or received by the City. Any information received through use of this site is subject to the same provisions as information provided on paper.

Read our complete privacy statement


Service Requests

Enter a service request via SeeClickFix for things like missed trash pickups, potholes, etc.