U.S. flag

An official website of the United States government

Official websites use .gov
A .gov website belongs to an official government organization in the United States.

Secure .gov websites use HTTPS
A lock ( ) or https:// means you’ve safely connected to the .gov website. Share sensitive information only on official, secure websites.

Photo of houses along Bigelow Street

Property Database

102 Spring St

Property Information

Property Class TWO-FAM-RES
State Class Code 104
Zoning (Unofficial) C-1
Map/Lot 26-47
Land Area (sq. ft) 5,625

Property Value

Year of Assessment2026
Tax DistrictR1
Residential ExemptionYes
Building Value$882,700
Land Value$893,800
Assessed Value$1,776,500
Sale Price$0
Book/Page13456/673
Sale DateJune 6, 1978
Previous Assessed Value$1,728,400

Owner Information

Owner(s)PACHECO, ROBERT AND
JANICE PACHECO
102 SPRING ST
CAMBRIDGE, MA 02141-1742

Building Information

Residential Building Number 1, Section 1

Exterior
StyleOLD STYLE TWO FAM
Occupancy TWO-FAM-RES
Number of Stories2.25
Exterior Wall Type Aluminum-Vinyl
Roof Type Gable
Roof Material Aspahlt Shingl
Interior
Living Area (sq. ft.)3,011
Number of Units 0
Total Rooms 12
Bedrooms 6
Kitchens 2
Full Baths 4
Half Baths 0
Fireplaces 0
Systems
Heat TypeHot Water
Heat Fuel Gas
Central A/C No
Condition & Grade
Year Built1900
Interior Condition Average
Overall ConditionAverage
Overall GradeAverage
Parking
Open Parking4
Covered Parking2
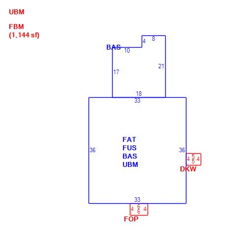
Subareas
Code Description Gross Area Living Area
BAS First Floor 1,526 1,526
DKW Deck Wood 20 0
FAT Finished Attic 1,188 297
FBM Basement, Finished 1,144 0
FOP Porch, Open 24 0
FUS Upper Story, Finished 1,188 1,188
UBM Basement 44 0
Total: 5,134 3,011
Extra Features / Outbuildings
DescriptionGAR-1.0S
Number of Units420.00
Unit TypeSF

Photos

(Click on a photo to view it at full size)

Sketches

(Click on a sketch to view it at full size)

Related Information

This page contains much of the information used by the City of Cambridge to assess properties. The purpose of this information is to be used only for ad valorem taxation purposes and any other use is therefore not valid.

Page was last modified on 3/8/2021 6:22 PM
Contact Us

How can we help?

Please provide as much detail below as possible so City staff can respond to your inquiry:

As a governmental entity, the Massachusetts Public Records Law applies to records made or received by the City. Any information received through use of this site is subject to the same provisions as information provided on paper.

Read our complete privacy statement


Service Requests

Enter a service request via SeeClickFix for things like missed trash pickups, potholes, etc.