U.S. flag

An official website of the United States government

Official websites use .gov
A .gov website belongs to an official government organization in the United States.

Secure .gov websites use HTTPS
A lock ( ) or https:// means you’ve safely connected to the .gov website. Share sensitive information only on official, secure websites.

Photo of houses along Bigelow Street

Property Database

11 Linnaean St

Property Information

Property Class SNGL-FAM-RES
State Class Code 101
Zoning (Unofficial) B
Map/Lot 176-72
Land Area (sq. ft) 7,946

Property Value

Year of Assessment2026
Tax DistrictR6
Residential ExemptionYes
Building Value$2,537,800
Land Value$1,554,300
Assessed Value$4,092,100
Sale Price$1,748,000
Book/Page48391/236
Sale DateOctober 27, 2006
Previous Assessed Value$3,979,800

Owner Information

Owner(s)WANG, EUGENE & JIE LU
11 LINNAEAN ST
CAMBRIDGE, MA 02139

Building Information

Residential Building Number 1, Section 1

Exterior
StyleVICTORIAN
Occupancy SNGL-FAM-RES
Number of Stories2.75
Exterior Wall Type Wood Shingle
Roof Type Gable
Roof Material Aspahlt Shingl
Interior
Living Area (sq. ft.)4,713
Number of Units 1
Total Rooms 17
Bedrooms 6
Kitchens 1
Full Baths 6
Half Baths 1
Fireplaces 5
Systems
Heat TypeHot Water
Heat Fuel Gas
Central A/C No
Condition & Grade
Year Built1897
Interior Condition Good
Overall ConditionGood
Overall GradeVery Good
Parking
Open Parking0
Covered Parking0
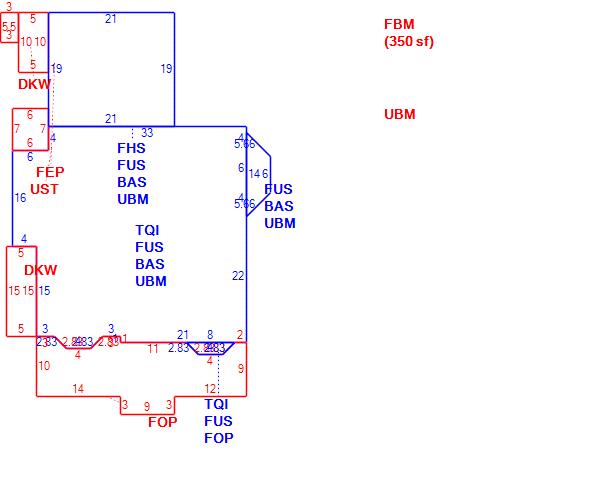
Subareas
Code Description Gross Area Living Area
BAS First Floor 1,753 1,753
DKW Deck Wood 90 0
FBM Basement, Finished 350 0
FEP Porch, Enclosed 50 0
FHS Half Story, Finished 399 200
FOP Porch, Open 344 0
FUS Upper Story, Finished 1,765 1,765
TQI Three Quarter, Inferior Fin 1,326 995
UBM Basement 1,403 0
UST Utility, Storage, Unfinished 42 0
Total: 7,522 4,713

Photos

(Click on a photo to view it at full size)

Sketches

(Click on a sketch to view it at full size)

Related Information

This page contains much of the information used by the City of Cambridge to assess properties. The purpose of this information is to be used only for ad valorem taxation purposes and any other use is therefore not valid.

Page was last modified on 3/8/2021 6:22 PM
Contact Us

How can we help?

Please provide as much detail below as possible so City staff can respond to your inquiry:

As a governmental entity, the Massachusetts Public Records Law applies to records made or received by the City. Any information received through use of this site is subject to the same provisions as information provided on paper.

Read our complete privacy statement


Service Requests

Enter a service request via SeeClickFix for things like missed trash pickups, potholes, etc.