U.S. flag

An official website of the United States government

Official websites use .gov
A .gov website belongs to an official government organization in the United States.

Secure .gov websites use HTTPS
A lock ( ) or https:// means you’ve safely connected to the .gov website. Share sensitive information only on official, secure websites.

Photo of houses along Bigelow Street

Property Database

131 Whittemore Ave

Property Information

Property Class SNGL-FAM-RES
State Class Code 101
Zoning (Unofficial) B
Map/Lot 187-65
Land Area (sq. ft) 3,776

Property Value

Year of Assessment2026
Tax DistrictR7
Residential ExemptionNo
Building Value$438,200
Land Value$482,300
Assessed Value$920,500
Sale Price$999,000
Book/Page1577/47
Sale DateAugust 4, 2021
Previous Assessed Value$899,900

Owner Information

Owner(s)LIANG XUEYING & LI TIAN
131 WHITTEMORE AVE
CAMBRIDGE, MA 02140

Building Information

Residential Building Number 1, Section 1

Exterior
StyleCAPE-COD
Occupancy SNGL-FAM-RES
Number of Stories1.75
Exterior Wall Type Wood Shingle
Roof Type Gable
Roof Material Aspahlt Shingl
Interior
Living Area (sq. ft.)1,183
Number of Units 1
Total Rooms 5
Bedrooms 2
Kitchens 1
Full Baths 1
Half Baths 1
Fireplaces 1
Systems
Heat TypeSteam
Heat Fuel Gas
Central A/C Yes
Condition & Grade
Year Built1939
Interior Condition Average
Overall ConditionAverage
Overall GradeAverage
Parking
Open Parking1
Covered Parking1
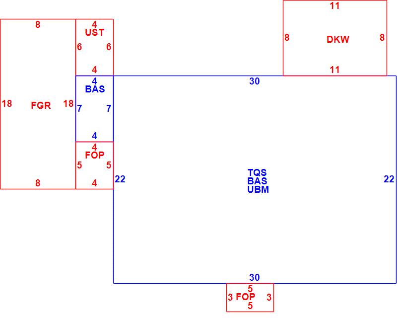
Subareas
Code Description Gross Area Living Area
BAS First Floor 688 688
DKW Deck Wood 88 0
FGR Garage 144 0
FOP Porch, Open 35 0
TQS Three Quarter Story 660 495
UBM Basement 660 0
UST Utility, Storage, Unfinished 24 0
Total: 2,299 1,183

Photos

(Click on a photo to view it at full size)

Sketches

(Click on a sketch to view it at full size)

Related Information

This page contains much of the information used by the City of Cambridge to assess properties. The purpose of this information is to be used only for ad valorem taxation purposes and any other use is therefore not valid.

Page was last modified on 3/8/2021 6:22 PM
Contact Us

How can we help?

Please provide as much detail below as possible so City staff can respond to your inquiry:

As a governmental entity, the Massachusetts Public Records Law applies to records made or received by the City. Any information received through use of this site is subject to the same provisions as information provided on paper.

Read our complete privacy statement


Service Requests

Enter a service request via SeeClickFix for things like missed trash pickups, potholes, etc.