U.S. flag

An official website of the United States government

Official websites use .gov
A .gov website belongs to an official government organization in the United States.

Secure .gov websites use HTTPS
A lock ( ) or https:// means you’ve safely connected to the .gov website. Share sensitive information only on official, secure websites.

Photo of houses along Bigelow Street

Property Database

190 Fifth St

Property Information

Property Class CLEAN-MANUF
State Class Code 407
Zoning (Unofficial) IA-1
Map/Lot 27-70
Land Area (sq. ft) 11,809

Property Value

Year of Assessment2026
Tax DistrictC1
Residential ExemptionNo
Building Value$2,376,300
Land Value$3,037,700
Assessed Value$5,414,000
Sale Price$100
Book/Page64347/316
Sale DateOctober 9, 2014
Previous Assessed Value$6,145,300

Owner Information

Owner(s)BASS ROCKS REALTY LLC
75 CAMBRIDGE PARKWAY, SUITE 100
CAMBRIDGE, MA 02142

Building Information

Commercial Building Number 1, Section 1

Exterior
StyleCLEAN MFG
Occupancy CLEAN-MANUF
Number of Stories2.5
Exterior Wall Type BRICK
Roof Material RUBBER-MEMBRAN
Wall Height 14
Partititions GOOD
Interior
Living Area (sq. ft.)17,592
Number of Units 2
Systems
Heat TypeHEAT-PUMP
Heat Fuel Gas
Plumbing AVERAGE
Condition & Grade
Year Built1925
Overall ConditionAverage
Overall GradeAverage
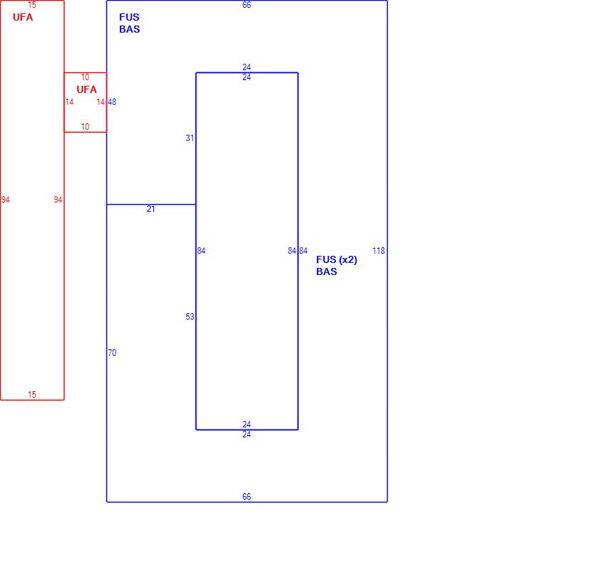
Subareas
Code Description Gross Area Living Area
BAS First Floor 7,788 7,788
FUS Upper Story, Finished 9,804 9,804
UFA Unfinished Area 1,550 0
Total: 19,142 17,592
Extra Features / Outbuildings
DescriptionGAR-2.0S
Number of Units1840.00
Unit TypeSF

Photos

(Click on a photo to view it at full size)

Sketches

(Click on a sketch to view it at full size)

Related Information

This page contains much of the information used by the City of Cambridge to assess properties. The purpose of this information is to be used only for ad valorem taxation purposes and any other use is therefore not valid.

Page was last modified on 3/8/2021 6:22 PM
Contact Us

How can we help?

Please provide as much detail below as possible so City staff can respond to your inquiry:

As a governmental entity, the Massachusetts Public Records Law applies to records made or received by the City. Any information received through use of this site is subject to the same provisions as information provided on paper.

Read our complete privacy statement


Service Requests

Enter a service request via SeeClickFix for things like missed trash pickups, potholes, etc.