U.S. flag

An official website of the United States government

Official websites use .gov
A .gov website belongs to an official government organization in the United States.

Secure .gov websites use HTTPS
A lock ( ) or https:// means you’ve safely connected to the .gov website. Share sensitive information only on official, secure websites.

Photo of houses along Bigelow Street

Property Database

2390 Massachusetts Ave

Property Information

Property Class MULTIUSE-RES
State Class Code 13
Zoning (Unofficial) BA-2
Map/Lot 191-103
Land Area (sq. ft) 4,211

Property Value

Year of Assessment2026
Tax DistrictC9
Residential ExemptionNo
Building Value$1,761,100
Land Value$1,283,500
Assessed Value$3,044,600
Sale Price$700,000
Book/Page1204/63
Sale DateApril 30, 1999
Previous Assessed Value$3,380,900

Owner Information

Owner(s)BATMASIAN, JAMES H. &
MARTA T. BATMASIAN
215 NORTH FEDERAL HIGHWAY
SUITE 1
BOCA RATON, FL 33432

Building Information

Commercial Building Number 1, Section 1

Exterior
StyleMIX NBHD CTR W/RES
Occupancy 4-8-UNIT-APT
Number of Stories3
Exterior Wall Type STUCCO
Roof Material TAR-GRAVEL
Wall Height 10
Partititions AVERAGE
Interior
Living Area (sq. ft.)10,300
Number of Units 7
Systems
Heat TypeHOT-WATER
Heat Fuel Oil
Plumbing AVERAGE
Condition & Grade
Year Built1900
Overall ConditionAverage
Overall GradeGood
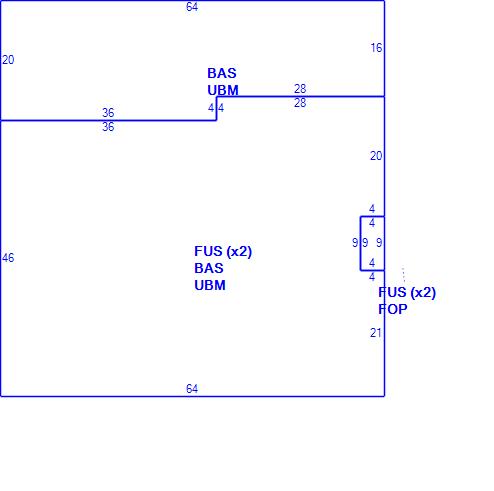
Subareas
Code Description Gross Area Living Area
BAS First Floor 4,188 4,188
FOP Porch, Open 36 0
FUS Upper Story, Finished 6,112 6,112
UBM Basement 4,188 0
Total: 14,524 10,300

Photos

(Click on a photo to view it at full size)

Sketches

(Click on a sketch to view it at full size)

Related Information

This page contains much of the information used by the City of Cambridge to assess properties. The purpose of this information is to be used only for ad valorem taxation purposes and any other use is therefore not valid.

Page was last modified on 3/8/2021 6:22 PM
Contact Us

How can we help?

Please provide as much detail below as possible so City staff can respond to your inquiry:

As a governmental entity, the Massachusetts Public Records Law applies to records made or received by the City. Any information received through use of this site is subject to the same provisions as information provided on paper.

Read our complete privacy statement


Service Requests

Enter a service request via SeeClickFix for things like missed trash pickups, potholes, etc.