U.S. flag

An official website of the United States government

Official websites use .gov
A .gov website belongs to an official government organization in the United States.

Secure .gov websites use HTTPS
A lock ( ) or https:// means you’ve safely connected to the .gov website. Share sensitive information only on official, secure websites.

Photo of houses along Bigelow Street

Property Database

40 Norris St

Property Information

Property Class >8-UNIT-APT
State Class Code 112
Zoning (Unofficial) B
Map/Lot 192-151
Land Area (sq. ft) 25,725

Property Value

Year of Assessment2026
Tax DistrictC9
Residential ExemptionNo
Building Value$10,027,400
Land Value$5,548,800
Assessed Value$15,576,200
Sale Price$3,600,000
Book/Page55397/563
Sale DateSeptember 17, 2010
Previous Assessed Value$15,688,800

Owner Information

Owner(s)LACOURT FAMILY LLC,
30 COLLEGE AVE
SOMERVILLE, MA 02144

Building Information

Commercial Building Number 1, Section 1

Exterior
StyleAPARTMENTS
Occupancy >8-UNIT-APT
Number of Stories3
Exterior Wall Type BRICK
Roof Material ASPHALT-SHNG
Wall Height 12
Partititions AVERAGE
Interior
Living Area (sq. ft.)42,012
Number of Units 25
Systems
Heat TypeFORCED-AIR
Heat Fuel Gas
Plumbing AVERAGE
Condition & Grade
Year Built1920
Overall ConditionVery Good
Overall GradeGood
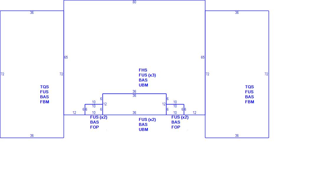
Subareas
Code Description Gross Area Living Area
BAS First Floor 10,384 10,384
FBM Basement, Finished 5,184 5,184
FHS Half Story, Finished 4,648 2,324
FOP Porch, Open 120 0
FUS Upper Story, Finished 20,232 20,232
TQS Three Quarter Story 5,184 3,888
UBM Basement 5,080 0
Total: 50,832 42,012

Photos

(Click on a photo to view it at full size)

Sketches

(Click on a sketch to view it at full size)

Related Information

This page contains much of the information used by the City of Cambridge to assess properties. The purpose of this information is to be used only for ad valorem taxation purposes and any other use is therefore not valid.

Page was last modified on 3/8/2021 6:22 PM
Contact Us

How can we help?

Please provide as much detail below as possible so City staff can respond to your inquiry:

As a governmental entity, the Massachusetts Public Records Law applies to records made or received by the City. Any information received through use of this site is subject to the same provisions as information provided on paper.

Read our complete privacy statement


Service Requests

Enter a service request via SeeClickFix for things like missed trash pickups, potholes, etc.