U.S. flag

An official website of the United States government

Official websites use .gov
A .gov website belongs to an official government organization in the United States.

Secure .gov websites use HTTPS
A lock ( ) or https:// means you’ve safely connected to the .gov website. Share sensitive information only on official, secure websites.

Photo of houses along Bigelow Street

Property Database

60 Rice St

Property Information

Property Class SNGL-FAM-RES
State Class Code 101
Zoning (Unofficial) B
Map/Lot 196-6
Land Area (sq. ft) 7,500

Property Value

Year of Assessment2026
Tax DistrictR7
Residential ExemptionYes
Building Value$1,713,500
Land Value$738,500
Assessed Value$2,452,000
Sale Price$265,000
Book/Page28951/350
Sale DateDecember 8, 1997
Previous Assessed Value$2,373,600

Owner Information

Owner(s)BARROS, ANTONIO C & ANA R. ZAMBRANO
60 RICE ST
CAMBRIDGE, MA 02140

Building Information

Residential Building Number 1, Section 1

Exterior
StyleCONVENTIONAL
Occupancy SNGL-FAM-RES
Number of Stories2
Exterior Wall Type Frame-Clapbrd
Roof Type Gable
Roof Material Aspahlt Shingl
Interior
Living Area (sq. ft.)2,499
Number of Units 1
Total Rooms 7
Bedrooms 3
Kitchens 1
Full Baths 2
Half Baths 1
Fireplaces 1
Systems
Heat TypeHot Water
Heat Fuel Gas
Central A/C Yes
Condition & Grade
Year Built1855
Interior Condition Excellent
Overall ConditionExcellent
Overall GradeGood
Parking
Open Parking2
Covered Parking4
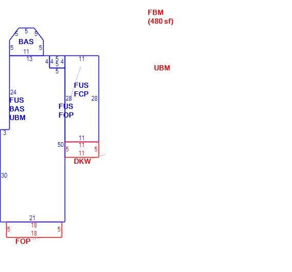
Subareas
Code Description Gross Area Living Area
BAS First Floor 1,129 1,129
DKW Deck Wood 55 0
FBM Basement, Finished 480 0
FCP Carport 308 0
FOP Porch, Open 110 0
FUS Upper Story, Finished 1,370 1,370
UBM Basement 562 0
Total: 4,014 2,499
Extra Features / Outbuildings
DescriptionGAR-1.0S
Number of Units920.00
Unit TypeSF
DescriptionSOLAR PANELS
Number of Units30.00
Unit TypeU

Photos

(Click on a photo to view it at full size)

Sketches

(Click on a sketch to view it at full size)

Related Information

This page contains much of the information used by the City of Cambridge to assess properties. The purpose of this information is to be used only for ad valorem taxation purposes and any other use is therefore not valid.

Page was last modified on 3/8/2021 6:22 PM
Contact Us

How can we help?

Please provide as much detail below as possible so City staff can respond to your inquiry:

As a governmental entity, the Massachusetts Public Records Law applies to records made or received by the City. Any information received through use of this site is subject to the same provisions as information provided on paper.

Read our complete privacy statement


Service Requests

Enter a service request via SeeClickFix for things like missed trash pickups, potholes, etc.