U.S. flag

An official website of the United States government

Official websites use .gov
A .gov website belongs to an official government organization in the United States.

Secure .gov websites use HTTPS
A lock ( ) or https:// means you’ve safely connected to the .gov website. Share sensitive information only on official, secure websites.

Photo of houses along Bigelow Street

Property Database

2222 Massachusetts Ave

Property Information

Property Class DORM-RS-HALL
State Class Code 123
Zoning (Unofficial) BA-2
Map/Lot 198-27
Land Area (sq. ft) 6,885

Property Value

Year of Assessment2026
Tax DistrictC9
Residential ExemptionNo
Building Value$1,185,200
Land Value$1,466,800
Assessed Value$2,652,000
Sale Price$1,200,000
Book/Page51522/202
Sale DateAugust 1, 2008
Previous Assessed Value$2,636,100

Owner Information

Owner(s)BAILEY, THOMAS C. TRUSTEE OF
2222 MASSACHUSETTS AVE REALTY TR.
C/O JOYCE BURNHAM
36 JOHN F. KENNEDY ST
CAMBRIDGE, MA 02138

Building Information

Commercial Building Number 1, Section 1

Exterior
StyleMULT-RESDNCE
Occupancy DORM-RS-HALL
Number of Stories2
Exterior Wall Type FRAME-CLAPBD
Roof Material ASPHALT-SHNG
Wall Height 10
Partititions AVERAGE
Interior
Living Area (sq. ft.)5,070
Number of Units 8
Systems
Heat TypeSTEAM
Heat Fuel Oil
Plumbing AVERAGE
Condition & Grade
Year Built1910
Overall ConditionAverage
Overall GradeAverage
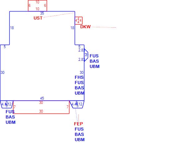
Subareas
Code Description Gross Area Living Area
BAS First Floor 2,040 2,040
DKW Deck Wood 16 0
FEP Porch, Enclosed 210 0
FHS Half Story, Finished 1,980 990
FUS Upper Story, Finished 2,040 2,040
UBM Basement 2,040 0
UST Utility, Storage, Unfinished 60 0
Total: 8,386 5,070

Photos

(Click on a photo to view it at full size)

Sketches

(Click on a sketch to view it at full size)

Related Information

This page contains much of the information used by the City of Cambridge to assess properties. The purpose of this information is to be used only for ad valorem taxation purposes and any other use is therefore not valid.

Page was last modified on 3/8/2021 6:22 PM
Contact Us

How can we help?

Please provide as much detail below as possible so City staff can respond to your inquiry:

As a governmental entity, the Massachusetts Public Records Law applies to records made or received by the City. Any information received through use of this site is subject to the same provisions as information provided on paper.

Read our complete privacy statement


Service Requests

Enter a service request via SeeClickFix for things like missed trash pickups, potholes, etc.