U.S. flag

An official website of the United States government

Official websites use .gov
A .gov website belongs to an official government organization in the United States.

Secure .gov websites use HTTPS
A lock ( ) or https:// means you’ve safely connected to the .gov website. Share sensitive information only on official, secure websites.

Photo of houses along Bigelow Street

Property Database

73 Upland Rd

Property Information

Property Class SNGL-FAM-RES
State Class Code 101
Zoning (Unofficial) B
Map/Lot 201-69
Land Area (sq. ft) 4,400

Property Value

Year of Assessment2026
Tax DistrictR6
Residential ExemptionYes
Building Value$3,233,500
Land Value$1,230,400
Assessed Value$4,463,900
Sale Price$3,950,000
Book/Page77643/180
Sale DateApril 29, 2021
Previous Assessed Value$4,312,400

Owner Information

Owner(s)HATZENBUCHLER MARK
MCCLAM ERIN
73 UPLAND RD
CAMBRIDGE, MA 02140

Building Information

Residential Building Number 1, Section 1

Exterior
StyleCOLONIAL
Occupancy SNGL-FAM-RES
Number of Stories2.5
Exterior Wall Type Frame-Clapbrd
Roof Type Gable
Roof Material Aspahlt Shingl
Interior
Living Area (sq. ft.)3,071
Number of Units 1
Total Rooms 10
Bedrooms 5
Kitchens 1
Full Baths 4
Half Baths 1
Fireplaces 2
Systems
Heat TypeForced Air
Heat Fuel Gas
Central A/C Yes
Condition & Grade
Year Built1895
Interior Condition Excellent
Overall ConditionExcellent
Overall GradeGood Very Good
Parking
Open Parking3
Covered Parking0
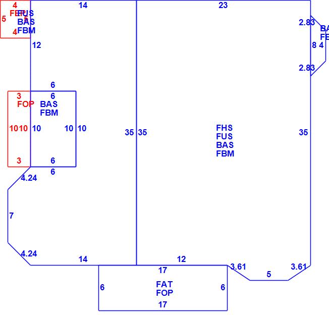
Subareas
Code Description Gross Area Living Area
BAS First Floor 1,353 1,353
FAT Finished Attic 102 26
FBM Basement, Finished 1,353 0
FEP Porch, Enclosed 20 0
FHS Half Story, Finished 821 411
FOP Porch, Open 132 0
FUS Upper Story, Finished 1,281 1,281
Total: 5,062 3,071

Photos

(Click on a photo to view it at full size)

Sketches

(Click on a sketch to view it at full size)

Related Information

This page contains much of the information used by the City of Cambridge to assess properties. The purpose of this information is to be used only for ad valorem taxation purposes and any other use is therefore not valid.

Page was last modified on 3/8/2021 6:22 PM
Contact Us

How can we help?

Please provide as much detail below as possible so City staff can respond to your inquiry:

As a governmental entity, the Massachusetts Public Records Law applies to records made or received by the City. Any information received through use of this site is subject to the same provisions as information provided on paper.

Read our complete privacy statement


Service Requests

Enter a service request via SeeClickFix for things like missed trash pickups, potholes, etc.