U.S. flag

An official website of the United States government

Official websites use .gov
A .gov website belongs to an official government organization in the United States.

Secure .gov websites use HTTPS
A lock ( ) or https:// means you’ve safely connected to the .gov website. Share sensitive information only on official, secure websites.

Photo of houses along Bigelow Street

Property Database

4 Walden Mews

Property Information

Property Class SNGL-FAM-RES
State Class Code 101
Zoning (Unofficial) C-1
Map/Lot 202-122
Land Area (sq. ft) 1,667

Property Value

Year of Assessment2026
Tax DistrictR17
Residential ExemptionYes
Building Value$1,304,000
Land Value$493,000
Assessed Value$1,797,000
Sale Price$1,051,000
Book/Page66052/482
Sale DateSeptember 10, 2015
Previous Assessed Value$1,722,700

Owner Information

Owner(s)FULLER, ANDREW P. &
KARLA P. PORTOCARRERO
4 WALDEN MEWS
CAMBRIDGE, MA 02140

Building Information

Residential Building Number 1, Section 1

Exterior
StyleTOWNHOUSE
Occupancy SNGL-FAM-RES
Number of Stories2.5
Exterior Wall Type Frame-Clapbrd
Roof Type Gable
Roof Material Aspahlt Shingl
Interior
Living Area (sq. ft.)1,956
Number of Units 1
Total Rooms 7
Bedrooms 3
Kitchens 1
Full Baths 3
Half Baths 1
Fireplaces 1
Systems
Heat TypeForced Air
Heat Fuel Gas
Central A/C Yes
Condition & Grade
Year Built1986
Interior Condition Excellent
Overall ConditionExcellent
Overall GradeGood
Parking
Open Parking0
Covered Parking2
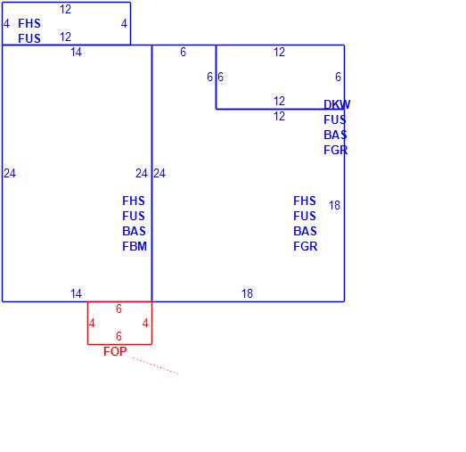
Subareas
Code Description Gross Area Living Area
BAS First Floor 768 768
DKW Deck Wood 72 0
FBM Basement, Finished 336 0
FGR Garage 432 0
FHS Half Story, Finished 744 372
FOP Porch, Open 24 0
FUS Upper Story, Finished 816 816
Total: 3,192 1,956
Extra Features / Outbuildings
DescriptionPATIO-CONCRT
Number of Units260.00
Unit TypeSF
DescriptionFENCE-WOOD-3
Number of Units32.00
Unit Type

Photos

(Click on a photo to view it at full size)

Sketches

(Click on a sketch to view it at full size)

Related Information

This page contains much of the information used by the City of Cambridge to assess properties. The purpose of this information is to be used only for ad valorem taxation purposes and any other use is therefore not valid.

Page was last modified on 3/8/2021 6:22 PM
Contact Us

How can we help?

Please provide as much detail below as possible so City staff can respond to your inquiry:

As a governmental entity, the Massachusetts Public Records Law applies to records made or received by the City. Any information received through use of this site is subject to the same provisions as information provided on paper.

Read our complete privacy statement


Service Requests

Enter a service request via SeeClickFix for things like missed trash pickups, potholes, etc.