U.S. flag

An official website of the United States government

Official websites use .gov
A .gov website belongs to an official government organization in the United States.

Secure .gov websites use HTTPS
A lock ( ) or https:// means you’ve safely connected to the .gov website. Share sensitive information only on official, secure websites.

Photo of houses along Bigelow Street

Property Database

11 Gray Gdns E

Property Information

Property Class SNGL-FAM-RES
State Class Code 101
Zoning (Unofficial) A-2
Map/Lot 207-40
Land Area (sq. ft) 8,426

Property Value

Year of Assessment2026
Tax DistrictR6
Residential ExemptionYes
Building Value$2,494,700
Land Value$2,080,500
Assessed Value$4,575,200
Sale Price$1,900,000
Book/Page1481/71
Sale DateNovember 19, 2015
Previous Assessed Value$4,473,400

Owner Information

Owner(s)DAVIS, THADDEUS H. &
JULIANA V. DAVIS
11 GRAY GDNS E
CAMBRIDGE, MA 02138

Building Information

Residential Building Number 1, Section 1

Exterior
StyleCOLONIAL
Occupancy SNGL-FAM-RES
Number of Stories2
Exterior Wall Type Frame-Clapbrd
Roof Type Hip
Roof Material Aspahlt Shingl
Interior
Living Area (sq. ft.)3,310
Number of Units 1
Total Rooms 8
Bedrooms 4
Kitchens 1
Full Baths 3
Half Baths 0
Fireplaces 3
Systems
Heat TypeForced Air
Heat Fuel Gas
Central A/C Yes
Condition & Grade
Year Built1923
Interior Condition Excellent
Overall ConditionExcellent
Overall GradeGood
Parking
Open Parking2
Covered Parking2
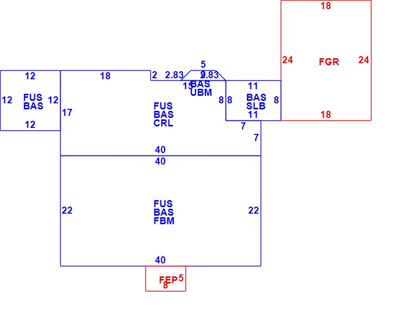
Subareas
Code Description Gross Area Living Area
BAS First Floor 1,706 1,706
CRL Crawl 580 0
FBM Basement, Finished 880 0
FEP Porch, Enclosed 40 0
FGR Garage 432 0
FUS Upper Story, Finished 1,604 1,604
SLB Slab 88 0
UBM Basement 14 0
Total: 5,344 3,310
Extra Features / Outbuildings
DescriptionPATIO-CONCRT
Number of Units432.00
Unit TypeSF
DescriptionHOT-TUB
Number of Units1.00
Unit TypeU
DescriptionSOLAR PANELS
Number of Units12.00
Unit TypeU

Photos

(Click on a photo to view it at full size)

Sketches

(Click on a sketch to view it at full size)

Related Information

This page contains much of the information used by the City of Cambridge to assess properties. The purpose of this information is to be used only for ad valorem taxation purposes and any other use is therefore not valid.

Page was last modified on 3/8/2021 6:22 PM
Contact Us

How can we help?

Please provide as much detail below as possible so City staff can respond to your inquiry:

As a governmental entity, the Massachusetts Public Records Law applies to records made or received by the City. Any information received through use of this site is subject to the same provisions as information provided on paper.

Read our complete privacy statement


Service Requests

Enter a service request via SeeClickFix for things like missed trash pickups, potholes, etc.