U.S. flag

An official website of the United States government

Official websites use .gov
A .gov website belongs to an official government organization in the United States.

Secure .gov websites use HTTPS
A lock ( ) or https:// means you’ve safely connected to the .gov website. Share sensitive information only on official, secure websites.

Photo of houses along Bigelow Street

Property Database

44 Linnaean St

Property Information

Property Class Improved Local Edu
State Class Code 934
Zoning (Unofficial) B
Map/Lot 212-58
Land Area (sq. ft) 100,975

Property Value

Year of Assessment2026
Tax DistrictC7
Residential ExemptionNo
Building Value$24,750,400
Land Value$30,060,300
Assessed Value$54,810,700
Sale Price$0
Book/Page1831/470
Sale DateJanuary 1, 1900
Previous Assessed Value$61,505,300

Owner Information

Owner(s)CAMBRIDGE CITY OF
SCHOOL DEPT.
159 THORNDIKE ST
CAMBRIDGE, MA 02141

Building Information

Commercial Building Number 1, Section 1

Exterior
StyleELEM SCHOOL
Occupancy Improved Local Edu
Number of Stories2
Exterior Wall Type BRICK
Roof Material TAR-GRAVEL
Wall Height 12
Partititions GOOD
Interior
Living Area (sq. ft.)70,784
Number of Units 0
Systems
Heat TypeFORCED-AIR
Heat Fuel Gas
Plumbing AVERAGE
Condition & Grade
Year Built1930
Overall ConditionAverage
Overall GradeGood
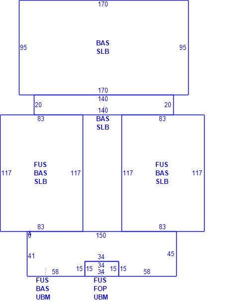
Subareas
Code Description Gross Area Living Area
BAS First Floor 44,612 44,612
FOP Porch, Open 510 0
FUS Upper Story, Finished 26,172 26,172
SLB Slab 38,372 0
UBM Basement 6,750 0
Total: 116,416 70,784

Photos

(Click on a photo to view it at full size)

Sketches

(Click on a sketch to view it at full size)

Related Information

This page contains much of the information used by the City of Cambridge to assess properties. The purpose of this information is to be used only for ad valorem taxation purposes and any other use is therefore not valid.

Page was last modified on 3/8/2021 6:22 PM
Contact Us

How can we help?

Please provide as much detail below as possible so City staff can respond to your inquiry:

As a governmental entity, the Massachusetts Public Records Law applies to records made or received by the City. Any information received through use of this site is subject to the same provisions as information provided on paper.

Read our complete privacy statement


Service Requests

Enter a service request via SeeClickFix for things like missed trash pickups, potholes, etc.