U.S. flag

An official website of the United States government

Official websites use .gov
A .gov website belongs to an official government organization in the United States.

Secure .gov websites use HTTPS
A lock ( ) or https:// means you’ve safely connected to the .gov website. Share sensitive information only on official, secure websites.

Photo of houses along Bigelow Street

Property Database

3 Walker St

Property Information

Property Class SNGL-FAM-RES
State Class Code 101
Zoning (Unofficial) B
Map/Lot 214-62
Land Area (sq. ft) 3,559

Property Value

Year of Assessment2026
Tax DistrictR6
Residential ExemptionYes
Building Value$1,293,400
Land Value$1,170,900
Assessed Value$2,464,300
Sale Price$1,650,000
Book/Page78059/376
Sale DateJune 21, 2021
Previous Assessed Value$2,375,800

Owner Information

Owner(s)WOHL BARRY N & DARA K COHEN
3 WALKER ST
CAMBRIDGE, MA 02138

Building Information

Residential Building Number 1, Section 1

Exterior
StyleCOLONIAL
Occupancy SNGL-FAM-RES
Number of Stories2.75
Exterior Wall Type Stucco
Roof Type Hip
Roof Material Slate Clay
Interior
Living Area (sq. ft.)1,799
Number of Units 1
Total Rooms 6
Bedrooms 3
Kitchens 1
Full Baths 2
Half Baths 1
Fireplaces 1
Systems
Heat TypeForced Air
Heat Fuel Gas
Central A/C Yes
Condition & Grade
Year Built1902
Interior Condition Good
Overall ConditionVery Good
Overall GradeGood Very Good
Parking
Open Parking2
Covered Parking0
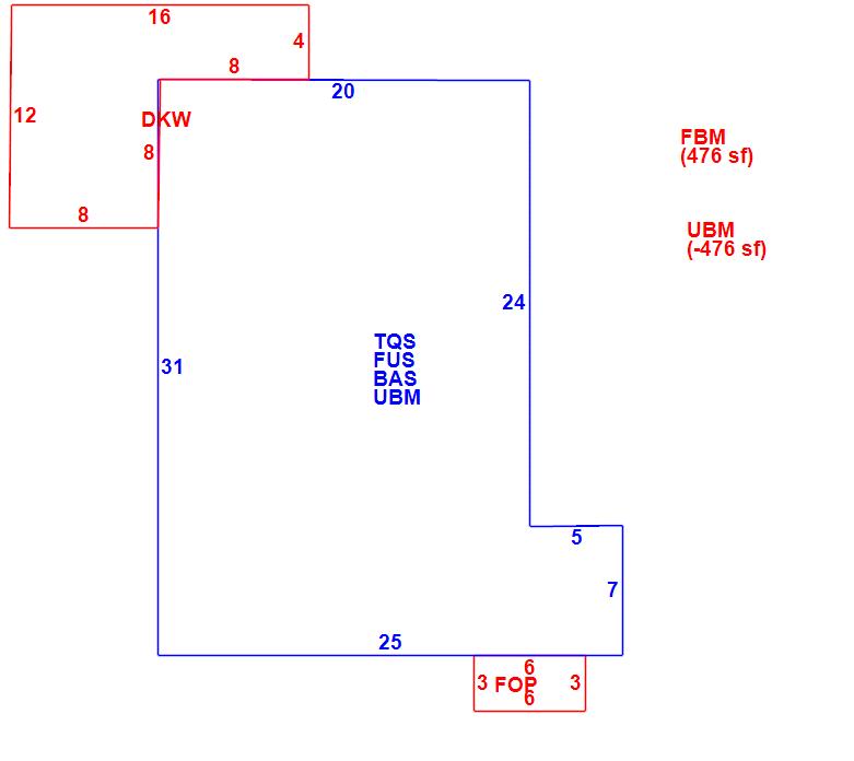
Subareas
Code Description Gross Area Living Area
BAS First Floor 654 654
DKW Deck Wood 128 0
FBM Basement, Finished 476 0
FOP Porch, Open 18 0
FUS Upper Story, Finished 654 654
TQS Three Quarter Story 654 491
UBM Basement 178 0
Total: 2,762 1,799

Photos

(Click on a photo to view it at full size)

Sketches

(Click on a sketch to view it at full size)

Related Information

This page contains much of the information used by the City of Cambridge to assess properties. The purpose of this information is to be used only for ad valorem taxation purposes and any other use is therefore not valid.

Page was last modified on 3/8/2021 6:22 PM
Contact Us

How can we help?

Please provide as much detail below as possible so City staff can respond to your inquiry:

As a governmental entity, the Massachusetts Public Records Law applies to records made or received by the City. Any information received through use of this site is subject to the same provisions as information provided on paper.

Read our complete privacy statement


Service Requests

Enter a service request via SeeClickFix for things like missed trash pickups, potholes, etc.