U.S. flag

An official website of the United States government

Official websites use .gov
A .gov website belongs to an official government organization in the United States.

Secure .gov websites use HTTPS
A lock ( ) or https:// means you’ve safely connected to the .gov website. Share sensitive information only on official, secure websites.

Photo of houses along Bigelow Street

Property Database

2 Berkeley Pl

Property Information

Property Class SNGL-FAM-RES
State Class Code 101
Zoning (Unofficial) A-2
Map/Lot 218-10
Land Area (sq. ft) 5,570

Property Value

Year of Assessment2026
Tax DistrictR10
Residential ExemptionYes
Building Value$2,593,500
Land Value$2,091,800
Assessed Value$4,685,300
Sale Price$1,100,000
Book/Page25456/260
Sale DateJune 30, 1995
Previous Assessed Value$4,564,300

Owner Information

Owner(s)COLEMAN, VIRGINIA F.
2 BERKELEY PL
CAMBRIDGE, MA 02138-3412

Building Information

Residential Building Number 1, Section 1

Exterior
StyleCOLONIAL
Occupancy SNGL-FAM-RES
Number of Stories2.75
Exterior Wall Type Wood Shingle
Roof Type Gambrel
Roof Material Aspahlt Shingl
Interior
Living Area (sq. ft.)4,097
Number of Units 1
Total Rooms 14
Bedrooms 5
Kitchens 1
Full Baths 4
Half Baths 1
Fireplaces 1
Systems
Heat TypeHot Water
Heat Fuel Gas
Central A/C Yes
Condition & Grade
Year Built1892
Interior Condition Very Good
Overall ConditionVery Good
Overall GradeGood Very Good
Parking
Open Parking2
Covered Parking1
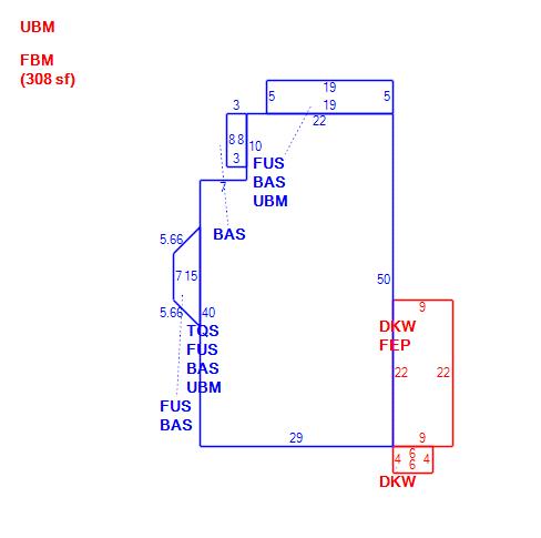
Subareas
Code Description Gross Area Living Area
BAS First Floor 1,543 1,543
DKW Deck Wood 222 0
FBM Basement, Finished 308 0
FEP Porch, Enclosed 198 0
FUS Upper Story, Finished 1,519 1,519
TQS Three Quarter Story 1,380 1,035
UBM Basement 1,167 0
Total: 6,337 4,097
Extra Features / Outbuildings
DescriptionGAR-1.0S
Number of Units220.00
Unit TypeSF

Photos

(Click on a photo to view it at full size)

Sketches

(Click on a sketch to view it at full size)

Related Information

This page contains much of the information used by the City of Cambridge to assess properties. The purpose of this information is to be used only for ad valorem taxation purposes and any other use is therefore not valid.

Page was last modified on 3/8/2021 6:22 PM
Contact Us

How can we help?

Please provide as much detail below as possible so City staff can respond to your inquiry:

As a governmental entity, the Massachusetts Public Records Law applies to records made or received by the City. Any information received through use of this site is subject to the same provisions as information provided on paper.

Read our complete privacy statement


Service Requests

Enter a service request via SeeClickFix for things like missed trash pickups, potholes, etc.