U.S. flag

An official website of the United States government

Official websites use .gov
A .gov website belongs to an official government organization in the United States.

Secure .gov websites use HTTPS
A lock ( ) or https:// means you’ve safely connected to the .gov website. Share sensitive information only on official, secure websites.

Photo of houses along Bigelow Street

Property Database

9 Mercer Cir

Property Information

Property Class SNGL-FAM-RES
State Class Code 101
Zoning (Unofficial) A-2
Map/Lot 220-53
Land Area (sq. ft) 7,343

Property Value

Year of Assessment2026
Tax DistrictR10
Residential ExemptionYes
Building Value$4,245,500
Land Value$2,307,300
Assessed Value$6,552,800
Sale Price$1
Book/Page79596/43
Sale DateJanuary 26, 2022
Previous Assessed Value$6,411,300

Owner Information

Owner(s)BALBONI, PHILIP S TRS
ELIZABETH HOUGHTELING
132 BRATTLE ST
CAMBRIDGE, MA 02138

Building Information

Residential Building Number 1, Section 1

Exterior
StyleVICTORIAN
Occupancy SNGL-FAM-RES
Number of Stories2.5
Exterior Wall Type Wood Shingle
Roof Type Gable
Roof Material Aspahlt Shingl
Interior
Living Area (sq. ft.)4,722
Number of Units 1
Total Rooms 11
Bedrooms 6
Kitchens 1
Full Baths 3
Half Baths 3
Fireplaces 2
Systems
Heat TypeHot Water
Heat Fuel Gas
Central A/C No
Condition & Grade
Year Built1886
Interior Condition Excellent
Overall ConditionExcellent
Overall GradeVery Good Ex
Parking
Open Parking2
Covered Parking2
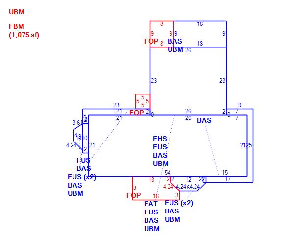
Subareas
Code Description Gross Area Living Area
BAS First Floor 2,111 2,111
FAT Finished Attic 598 150
FBM Basement, Finished 1,075 0
FHS Half Story, Finished 1,134 567
FOP Porch, Open 215 0
FUS Upper Story, Finished 1,894 1,894
UBM Basement 890 0
Total: 7,917 4,722
Extra Features / Outbuildings
DescriptionGAR-1.0S
Number of Units420.00
Unit TypeSF

Photos

(Click on a photo to view it at full size)

Sketches

(Click on a sketch to view it at full size)

Related Information

This page contains much of the information used by the City of Cambridge to assess properties. The purpose of this information is to be used only for ad valorem taxation purposes and any other use is therefore not valid.

Page was last modified on 3/8/2021 6:22 PM
Contact Us

How can we help?

Please provide as much detail below as possible so City staff can respond to your inquiry:

As a governmental entity, the Massachusetts Public Records Law applies to records made or received by the City. Any information received through use of this site is subject to the same provisions as information provided on paper.

Read our complete privacy statement


Service Requests

Enter a service request via SeeClickFix for things like missed trash pickups, potholes, etc.