U.S. flag

An official website of the United States government

Official websites use .gov
A .gov website belongs to an official government organization in the United States.

Secure .gov websites use HTTPS
A lock ( ) or https:// means you’ve safely connected to the .gov website. Share sensitive information only on official, secure websites.

Photo of houses along Bigelow Street

Property Database

20 Hubbard Park Rd

Property Information

Property Class SNGL-FAM-RES
State Class Code 101
Zoning (Unofficial) A-1
Map/Lot 222-18
Land Area (sq. ft) 16,447

Property Value

Year of Assessment2026
Tax DistrictR10
Residential ExemptionYes
Building Value$4,466,400
Land Value$3,390,400
Assessed Value$7,856,800
Sale Price$70,000
Book/Page2387/82
Sale DateFebruary 28, 1973
Previous Assessed Value$7,706,300

Owner Information

Owner(s)DUPREE, THOMAS &
ANDREA DUPREE
20 HUBBARD PARK ROAD
CAMBRIDGE, MA 02138

Building Information

Residential Building Number 1, Section 1

Exterior
StyleCOLONIAL
Occupancy SNGL-FAM-RES
Number of Stories2.75
Exterior Wall Type Aluminum-Vinyl
Roof Type Hip
Roof Material Aspahlt Shingl
Interior
Living Area (sq. ft.)5,768
Number of Units 1
Total Rooms 12
Bedrooms 7
Kitchens 1
Full Baths 4
Half Baths 1
Fireplaces 5
Systems
Heat TypeForced Air
Heat Fuel Gas
Central A/C No
Condition & Grade
Year Built1892
Interior Condition Very Good
Overall ConditionVery Good
Overall GradeVery Good
Parking
Open Parking2
Covered Parking2
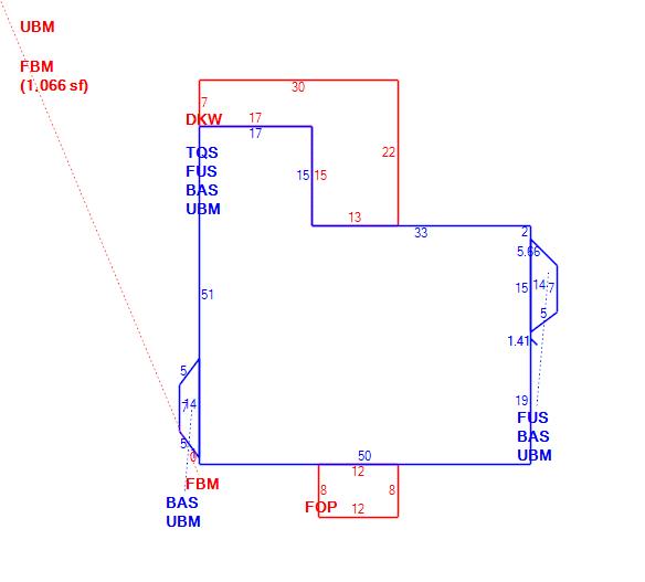
Subareas
Code Description Gross Area Living Area
BAS First Floor 2,130 2,130
DKW Deck Wood 405 0
FBM Basement, Finished 1,066 0
FOP Porch, Open 96 0
FUS Upper Story, Finished 2,097 2,097
TQS Three Quarter Story 2,055 1,541
UBM Basement 1,064 0
Total: 8,913 5,768
Extra Features / Outbuildings
DescriptionGAR-1.0S
Number of Units380.00
Unit TypeSF

Photos

(Click on a photo to view it at full size)

Sketches

(Click on a sketch to view it at full size)

Related Information

This page contains much of the information used by the City of Cambridge to assess properties. The purpose of this information is to be used only for ad valorem taxation purposes and any other use is therefore not valid.

Page was last modified on 3/8/2021 6:22 PM
Contact Us

How can we help?

Please provide as much detail below as possible so City staff can respond to your inquiry:

As a governmental entity, the Massachusetts Public Records Law applies to records made or received by the City. Any information received through use of this site is subject to the same provisions as information provided on paper.

Read our complete privacy statement


Service Requests

Enter a service request via SeeClickFix for things like missed trash pickups, potholes, etc.