U.S. flag

An official website of the United States government

Official websites use .gov
A .gov website belongs to an official government organization in the United States.

Secure .gov websites use HTTPS
A lock ( ) or https:// means you’ve safely connected to the .gov website. Share sensitive information only on official, secure websites.

Photo of houses along Bigelow Street

Property Database

156 Brattle St

Property Information

Property Class SNGL-FAM-RES
State Class Code 101
Zoning (Unofficial) A-1
Map/Lot 222-38
Land Area (sq. ft) 11,203

Property Value

Year of Assessment2026
Tax DistrictR10
Residential ExemptionYes
Building Value$4,370,600
Land Value$2,854,400
Assessed Value$7,225,000
Sale Price$1
Book/Page74459/314
Sale DateApril 13, 2020
Previous Assessed Value$7,114,000

Owner Information

Owner(s)PIETTE, BARBARA A. TRUSTEE
THE BARBARA A. PIETTE 2020 REVOC. TRUST
156 BRATTLE STREET
CAMBRIDGE, MA 02138

Building Information

Residential Building Number 1, Section 1

Exterior
StyleVICTORIAN
Occupancy SNGL-FAM-RES
Number of Stories3
Exterior Wall Type Frame-Clapbrd
Roof Type Mansard
Roof Material Aspahlt Shingl
Interior
Living Area (sq. ft.)3,982
Number of Units 1
Total Rooms 15
Bedrooms 7
Kitchens 2
Full Baths 3
Half Baths 1
Fireplaces 1
Systems
Heat TypeForced Air
Heat Fuel Gas
Central A/C Yes
Condition & Grade
Year Built1868
Interior Condition Excellent
Overall ConditionExcellent
Overall GradeExcellent
Parking
Open Parking4
Covered Parking2
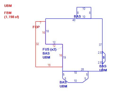
Subareas
Code Description Gross Area Living Area
BAS First Floor 1,478 1,478
FBM Basement, Finished 1,198 0
FOP Porch, Open 416 0
FUS Upper Story, Finished 2,504 2,504
UBM Basement 200 0
Total: 5,796 3,982
Extra Features / Outbuildings
DescriptionGAR-1.0S
Number of Units400.00
Unit TypeSF
DescriptionFENCE-WOOD-3
Number of Units150.00
Unit Type

Photos

(Click on a photo to view it at full size)

Sketches

(Click on a sketch to view it at full size)

Related Information

This page contains much of the information used by the City of Cambridge to assess properties. The purpose of this information is to be used only for ad valorem taxation purposes and any other use is therefore not valid.

Page was last modified on 3/8/2021 6:22 PM
Contact Us

How can we help?

Please provide as much detail below as possible so City staff can respond to your inquiry:

As a governmental entity, the Massachusetts Public Records Law applies to records made or received by the City. Any information received through use of this site is subject to the same provisions as information provided on paper.

Read our complete privacy statement


Service Requests

Enter a service request via SeeClickFix for things like missed trash pickups, potholes, etc.