U.S. flag

An official website of the United States government

Official websites use .gov
A .gov website belongs to an official government organization in the United States.

Secure .gov websites use HTTPS
A lock ( ) or https:// means you’ve safely connected to the .gov website. Share sensitive information only on official, secure websites.

Photo of houses along Bigelow Street

Property Database

155 Brattle St

Property Information

Property Class SNGL-FAM-RES
State Class Code 101
Zoning (Unofficial) A-1
Map/Lot 223-16
Land Area (sq. ft) 10,250

Property Value

Year of Assessment2026
Tax DistrictR10
Residential ExemptionYes
Building Value$4,264,100
Land Value$2,724,700
Assessed Value$6,988,800
Sale Price$1,350,000
Book/Page22265/35
Sale DateAugust 3, 1992
Previous Assessed Value$6,842,400

Owner Information

Owner(s)MEYER, JACK R.
& ELIZABETH D. MEYER
155 BRATTLE ST.
CAMBRIDGE, MA 02138-2243

Building Information

Residential Building Number 1, Section 1

Exterior
StyleCOLONIAL
Occupancy SNGL-FAM-RES
Number of Stories2.75
Exterior Wall Type Wood Shingle
Roof Type Gable
Roof Material Slate Clay
Interior
Living Area (sq. ft.)4,407
Number of Units 1
Total Rooms 10
Bedrooms 6
Kitchens 1
Full Baths 4
Half Baths 1
Fireplaces 6
Systems
Heat TypeForced Air
Heat Fuel Gas
Central A/C Yes
Condition & Grade
Year Built1889
Interior Condition Excellent
Overall ConditionExcellent
Overall GradeVery Good
Parking
Open Parking2
Covered Parking2
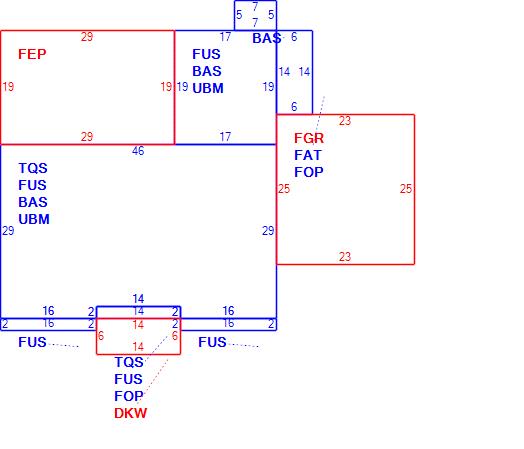
Subareas
Code Description Gross Area Living Area
BAS First Floor 1,664 1,664
DKW Deck Wood 84 0
FAT Finished Attic 84 21
FEP Porch, Enclosed 551 0
FGR Garage 575 0
FOP Porch, Open 112 0
FUS Upper Story, Finished 1,721 1,721
TQS Three Quarter Story 1,334 1,001
UBM Basement 1,629 0
Total: 7,754 4,407

Photos

(Click on a photo to view it at full size)

Sketches

(Click on a sketch to view it at full size)

Related Information

This page contains much of the information used by the City of Cambridge to assess properties. The purpose of this information is to be used only for ad valorem taxation purposes and any other use is therefore not valid.

Page was last modified on 3/8/2021 6:22 PM
Contact Us

How can we help?

Please provide as much detail below as possible so City staff can respond to your inquiry:

As a governmental entity, the Massachusetts Public Records Law applies to records made or received by the City. Any information received through use of this site is subject to the same provisions as information provided on paper.

Read our complete privacy statement


Service Requests

Enter a service request via SeeClickFix for things like missed trash pickups, potholes, etc.