U.S. flag

An official website of the United States government

Official websites use .gov
A .gov website belongs to an official government organization in the United States.

Secure .gov websites use HTTPS
A lock ( ) or https:// means you’ve safely connected to the .gov website. Share sensitive information only on official, secure websites.

Photo of houses along Bigelow Street

Property Database

68 Sparks St

Property Information

Property Class SINGLE FAM W/AUXILIARY APT
State Class Code 1014
Zoning (Unofficial) A-1
Map/Lot 223-19
Land Area (sq. ft) 10,237

Property Value

Year of Assessment2026
Tax DistrictR10
Residential ExemptionNo
Building Value$5,150,200
Land Value$2,722,700
Assessed Value$7,872,900
Sale Price$5,050,000
Book/Page71078/256
Sale DateMay 30, 2018
Previous Assessed Value$7,633,100

Owner Information

Owner(s)68 SPARKS STREET, LLC
1770 MASSACHUSETTS AVE, NO #263
CAMBRIDGE, MA 02140

Building Information

Residential Building Number 1, Section 1

Exterior
StyleVICTORIAN
Occupancy SINGLE FAM W/AUXILIARY APT
Number of Stories3
Exterior Wall Type Frame-Clapbrd
Roof Type Gambrel
Roof Material Aspahlt Shingl
Interior
Living Area (sq. ft.)4,639
Number of Units 2
Total Rooms 13
Bedrooms 9
Kitchens 2
Full Baths 4
Half Baths 4
Fireplaces 2
Systems
Heat TypeSteam
Heat Fuel Gas
Central A/C No
Condition & Grade
Year Built1894
Interior Condition Excellent
Overall ConditionExcellent
Overall GradeVery Good
Parking
Open Parking2
Covered Parking2
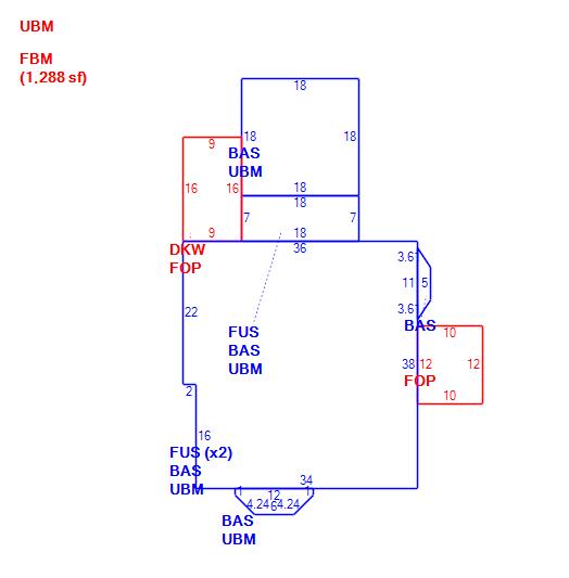
Subareas
Code Description Gross Area Living Area
BAS First Floor 1,841 1,841
DKW Deck Wood 144 0
FBM Basement, Finished 1,288 0
FOP Porch, Open 264 0
FUS Upper Story, Finished 2,798 2,798
UBM Basement 537 0
Total: 6,872 4,639
Extra Features / Outbuildings
DescriptionGAR-1.0S
Number of Units440.00
Unit TypeSF

Photos

(Click on a photo to view it at full size)

Sketches

(Click on a sketch to view it at full size)

Related Information

This page contains much of the information used by the City of Cambridge to assess properties. The purpose of this information is to be used only for ad valorem taxation purposes and any other use is therefore not valid.

Page was last modified on 3/8/2021 6:22 PM
Contact Us

How can we help?

Please provide as much detail below as possible so City staff can respond to your inquiry:

As a governmental entity, the Massachusetts Public Records Law applies to records made or received by the City. Any information received through use of this site is subject to the same provisions as information provided on paper.

Read our complete privacy statement


Service Requests

Enter a service request via SeeClickFix for things like missed trash pickups, potholes, etc.