U.S. flag

An official website of the United States government

Official websites use .gov
A .gov website belongs to an official government organization in the United States.

Secure .gov websites use HTTPS
A lock ( ) or https:// means you’ve safely connected to the .gov website. Share sensitive information only on official, secure websites.

Photo of houses along Bigelow Street

Property Database

17 Buckingham St

Property Information

Property Class SNGL-FAM-RES
State Class Code 101
Zoning (Unofficial) A-1
Map/Lot 223-20
Land Area (sq. ft) 10,400

Property Value

Year of Assessment2026
Tax DistrictR10
Residential ExemptionYes
Building Value$2,589,900
Land Value$2,746,300
Assessed Value$5,336,200
Sale Price$1,092,500
Book/Page28753/316
Sale DateJune 25, 1998
Previous Assessed Value$5,215,800

Owner Information

Owner(s)MILLER, LYNNE T.
17 BUCKINGHAM ST
CAMBRIDGE, MA 02138-2219

Building Information

Residential Building Number 1, Section 1

Exterior
StyleVICTORIAN
Occupancy SNGL-FAM-RES
Number of Stories2.75
Exterior Wall Type Frame-Clapbrd
Roof Type Gable
Roof Material Slate Clay
Interior
Living Area (sq. ft.)3,994
Number of Units 1
Total Rooms 10
Bedrooms 3
Kitchens 1
Full Baths 3
Half Baths 2
Fireplaces 2
Systems
Heat TypeHot Water
Heat Fuel Gas
Central A/C Yes
Condition & Grade
Year Built1880
Interior Condition Very Good
Overall ConditionVery Good
Overall GradeGood Very Good
Parking
Open Parking2
Covered Parking2
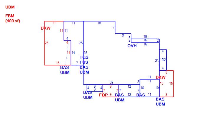
Subareas
Code Description Gross Area Living Area
BAS First Floor 1,757 1,757
DKW Deck Wood 451 0
FBM Basement, Finished 400 0
FOP Porch, Open 63 0
FUS Upper Story, Finished 1,260 1,260
OVH Over Hang 32 32
TQS Three Quarter Story 1,260 945
UBM Basement 1,247 0
Total: 6,470 3,994
Extra Features / Outbuildings
DescriptionGAR-1.0S
Number of Units420.00
Unit TypeSF

Photos

(Click on a photo to view it at full size)

Sketches

(Click on a sketch to view it at full size)

Related Information

This page contains much of the information used by the City of Cambridge to assess properties. The purpose of this information is to be used only for ad valorem taxation purposes and any other use is therefore not valid.

Page was last modified on 3/8/2021 6:22 PM
Contact Us

How can we help?

Please provide as much detail below as possible so City staff can respond to your inquiry:

As a governmental entity, the Massachusetts Public Records Law applies to records made or received by the City. Any information received through use of this site is subject to the same provisions as information provided on paper.

Read our complete privacy statement


Service Requests

Enter a service request via SeeClickFix for things like missed trash pickups, potholes, etc.