U.S. flag

An official website of the United States government

Official websites use .gov
A .gov website belongs to an official government organization in the United States.

Secure .gov websites use HTTPS
A lock ( ) or https:// means you’ve safely connected to the .gov website. Share sensitive information only on official, secure websites.

Photo of houses along Bigelow Street

Property Database

22 Highland St

Property Information

Property Class SNGL-FAM-RES
State Class Code 101
Zoning (Unofficial) A-1
Map/Lot 223-38
Land Area (sq. ft) 12,095

Property Value

Year of Assessment2026
Tax DistrictR10
Residential ExemptionNo
Building Value$8,996,200
Land Value$2,957,300
Assessed Value$11,953,500
Sale Price$7,550,000
Book/Page80207/410
Sale DateJune 1, 2022
Previous Assessed Value$9,102,300

Owner Information

Owner(s)BURD, GREGORY S. & FRANCESCA GINO
22 HIGHLAND ST
CAMBRIDGE, MA 02138

Building Information

Residential Building Number 1, Section 1

Exterior
StyleCOLONIAL
Occupancy SNGL-FAM-RES
Number of Stories2.5
Exterior Wall Type Frame-Clapbrd
Roof Type Hip
Roof Material Slate Clay
Interior
Living Area (sq. ft.)5,198
Number of Units 1
Total Rooms 10
Bedrooms 5
Kitchens 1
Full Baths 5
Half Baths 2
Fireplaces 2
Systems
Heat TypeForced Air
Heat Fuel Gas
Central A/C Yes
Condition & Grade
Year Built1912
Interior Condition Superlative
Overall ConditionSuperior
Overall GradeVery Good Ex
Parking
Open Parking2
Covered Parking2
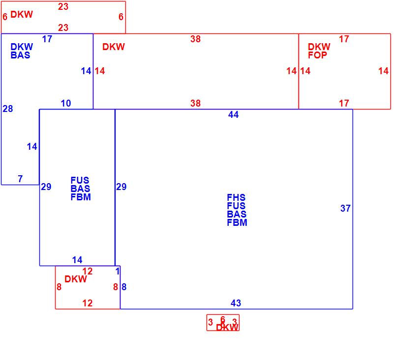
Subareas
Code Description Gross Area Living Area
BAS First Floor 2,362 2,362
DKW Deck Wood 1,358 0
FBM Basement, Finished 2,026 0
FHS Half Story, Finished 1,620 810
FOP Porch, Open 238 0
FUS Upper Story, Finished 2,026 2,026
Total: 9,630 5,198
Extra Features / Outbuildings
DescriptionGAR-1.0S
Number of Units342.00
Unit TypeSF

Photos

(Click on a photo to view it at full size)

Sketches

(Click on a sketch to view it at full size)

Related Information

This page contains much of the information used by the City of Cambridge to assess properties. The purpose of this information is to be used only for ad valorem taxation purposes and any other use is therefore not valid.

Page was last modified on 3/8/2021 6:22 PM
Contact Us

How can we help?

Please provide as much detail below as possible so City staff can respond to your inquiry:

As a governmental entity, the Massachusetts Public Records Law applies to records made or received by the City. Any information received through use of this site is subject to the same provisions as information provided on paper.

Read our complete privacy statement


Service Requests

Enter a service request via SeeClickFix for things like missed trash pickups, potholes, etc.