U.S. flag

An official website of the United States government

Official websites use .gov
A .gov website belongs to an official government organization in the United States.

Secure .gov websites use HTTPS
A lock ( ) or https:// means you’ve safely connected to the .gov website. Share sensitive information only on official, secure websites.

Photo of houses along Bigelow Street

Property Database

21 Craigie St

Property Information

Property Class SNGL-FAM-RES
State Class Code 101
Zoning (Unofficial) A-2
Map/Lot 224-18
Land Area (sq. ft) 10,000

Property Value

Year of Assessment2026
Tax DistrictR10
Residential ExemptionYes
Building Value$4,423,000
Land Value$2,709,600
Assessed Value$7,132,600
Sale Price$0
Book/Page81673/354
Sale DateJune 20, 2023
Previous Assessed Value$6,925,400

Owner Information

Owner(s)KARGER, DAVID & ALLEGRA GOODMAN KARGER
21 CRAIGIE ST
CAMBRIDGE, MA 02138-3403

Building Information

Residential Building Number 1, Section 1

Exterior
StyleVICTORIAN
Occupancy SNGL-FAM-RES
Number of Stories3
Exterior Wall Type Frame-Clapbrd
Roof Type Mansard
Roof Material Slate Clay
Interior
Living Area (sq. ft.)4,149
Number of Units 1
Total Rooms 10
Bedrooms 5
Kitchens 1
Full Baths 3
Half Baths 2
Fireplaces 1
Systems
Heat TypeForced Air
Heat Fuel Gas
Central A/C Yes
Condition & Grade
Year Built1866
Interior Condition Excellent
Overall ConditionExcellent
Overall GradeExcellent
Parking
Open Parking3
Covered Parking1
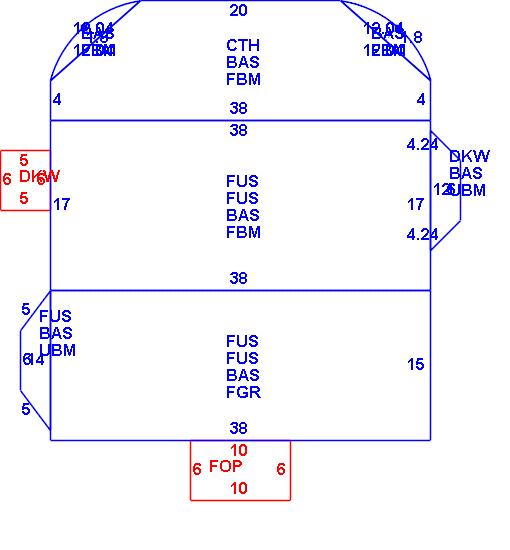
Subareas
Code Description Gross Area Living Area
BAS First Floor 1,687 1,687
CTH Cathedral Ceiling 384 0
DKW Deck Wood 57 0
FBM Basement, Finished 1,060 0
FGR Garage 570 0
FOP Porch, Open 60 0
FUS Upper Story, Finished 2,462 2,462
UBM Basement 57 0
Total: 6,337 4,149

Photos

(Click on a photo to view it at full size)

Sketches

(Click on a sketch to view it at full size)

Related Information

This page contains much of the information used by the City of Cambridge to assess properties. The purpose of this information is to be used only for ad valorem taxation purposes and any other use is therefore not valid.

Page was last modified on 3/8/2021 6:22 PM
Contact Us

How can we help?

Please provide as much detail below as possible so City staff can respond to your inquiry:

As a governmental entity, the Massachusetts Public Records Law applies to records made or received by the City. Any information received through use of this site is subject to the same provisions as information provided on paper.

Read our complete privacy statement


Service Requests

Enter a service request via SeeClickFix for things like missed trash pickups, potholes, etc.