U.S. flag

An official website of the United States government

Official websites use .gov
A .gov website belongs to an official government organization in the United States.

Secure .gov websites use HTTPS
A lock ( ) or https:// means you’ve safely connected to the .gov website. Share sensitive information only on official, secure websites.

Photo of houses along Bigelow Street

Property Database

88 Sparks St

Property Information

Property Class TWO-FAM-RES
State Class Code 104
Zoning (Unofficial) B
Map/Lot 226-10
Land Area (sq. ft) 7,757

Property Value

Year of Assessment2026
Tax DistrictR10
Residential ExemptionYes
Building Value$1,812,000
Land Value$2,050,400
Assessed Value$3,862,400
Sale Price$55,000
Book/Page72758/805
Sale DateFebruary 13, 1975
Previous Assessed Value$3,772,900

Owner Information

Owner(s)HUTCHISON, JAMES M. &
JANE D EHRLICH
88 SPARKS ST
CAMBRIDGE, MA 02138-2216

Building Information

Residential Building Number 1, Section 1

Exterior
StyleVICTORIAN
Occupancy TWO-FAM-RES
Number of Stories2.5
Exterior Wall Type Frame-Clapbrd
Roof Type Gable
Roof Material Aspahlt Shingl
Interior
Living Area (sq. ft.)2,608
Number of Units 2
Total Rooms 14
Bedrooms 6
Kitchens 2
Full Baths 3
Half Baths 1
Fireplaces 2
Systems
Heat TypeHot Water
Heat Fuel Gas
Central A/C No
Condition & Grade
Year Built1910
Interior Condition Very Good
Overall ConditionVery Good
Overall GradeVery Good Ex
Parking
Open Parking3
Covered Parking3
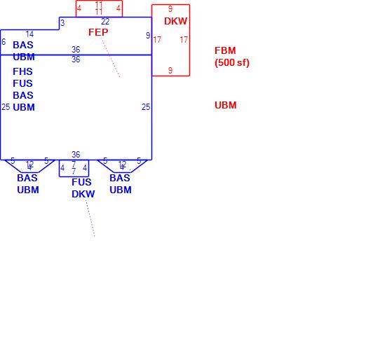
Subareas
Code Description Gross Area Living Area
BAS First Floor 1,230 1,230
DKW Deck Wood 181 0
FBM Basement, Finished 500 0
FEP Porch, Enclosed 44 0
FHS Half Story, Finished 900 450
FUS Upper Story, Finished 928 928
UBM Basement 730 0
Total: 4,513 2,608
Extra Features / Outbuildings
Description
Number of Units680.00
Unit TypeSF
DescriptionGAR-1.0S
Number of Units600.00
Unit TypeSF

Photos

(Click on a photo to view it at full size)

Sketches

(Click on a sketch to view it at full size)

Related Information

This page contains much of the information used by the City of Cambridge to assess properties. The purpose of this information is to be used only for ad valorem taxation purposes and any other use is therefore not valid.

Page was last modified on 3/8/2021 6:22 PM
Contact Us

How can we help?

Please provide as much detail below as possible so City staff can respond to your inquiry:

As a governmental entity, the Massachusetts Public Records Law applies to records made or received by the City. Any information received through use of this site is subject to the same provisions as information provided on paper.

Read our complete privacy statement


Service Requests

Enter a service request via SeeClickFix for things like missed trash pickups, potholes, etc.