U.S. flag

An official website of the United States government

Official websites use .gov
A .gov website belongs to an official government organization in the United States.

Secure .gov websites use HTTPS
A lock ( ) or https:// means you’ve safely connected to the .gov website. Share sensitive information only on official, secure websites.

Photo of houses along Bigelow Street

Property Database

8 Appleton Ter

Property Information

Property Class SNGL-FAM-RES
State Class Code 101
Zoning (Unofficial) B
Map/Lot 230-135
Land Area (sq. ft) 5,255

Property Value

Year of Assessment2026
Tax DistrictR14
Residential ExemptionYes
Building Value$1,041,200
Land Value$1,032,900
Assessed Value$2,074,100
Sale Price$335,000
Book/Page29217/279
Sale DateDecember 13, 1996
Previous Assessed Value$2,025,300

Owner Information

Owner(s)HUROWITZ, ILISA &
NICHOLAS PAUL ALEXANDER
8 APPLETON TERR.
CAMBRIDGE, MA 02138-1333

Building Information

Residential Building Number 1, Section 1

Exterior
StyleCONVENTIONAL
Occupancy SNGL-FAM-RES
Number of Stories2
Exterior Wall Type Frame-Clapbrd
Roof Type Gable
Roof Material Aspahlt Shingl
Interior
Living Area (sq. ft.)1,718
Number of Units 1
Total Rooms 6
Bedrooms 2
Kitchens 1
Full Baths 2
Half Baths 0
Fireplaces 0
Systems
Heat TypeForced Air
Heat Fuel Gas
Central A/C Yes
Condition & Grade
Year Built1840
Interior Condition Very Good
Overall ConditionVery Good
Overall GradeAverage Plus
Parking
Open Parking2
Covered Parking0
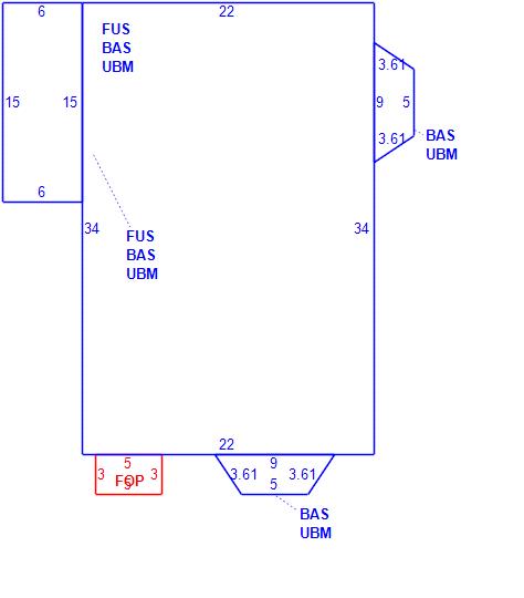
Subareas
Code Description Gross Area Living Area
BAS First Floor 880 880
FOP Porch, Open 15 0
FUS Upper Story, Finished 838 838
UBM Basement 880 0
Total: 2,613 1,718

Photos

(Click on a photo to view it at full size)

Sketches

(Click on a sketch to view it at full size)

Related Information

This page contains much of the information used by the City of Cambridge to assess properties. The purpose of this information is to be used only for ad valorem taxation purposes and any other use is therefore not valid.

Page was last modified on 3/8/2021 6:22 PM
Contact Us

How can we help?

Please provide as much detail below as possible so City staff can respond to your inquiry:

As a governmental entity, the Massachusetts Public Records Law applies to records made or received by the City. Any information received through use of this site is subject to the same provisions as information provided on paper.

Read our complete privacy statement


Service Requests

Enter a service request via SeeClickFix for things like missed trash pickups, potholes, etc.