U.S. flag

An official website of the United States government

Official websites use .gov
A .gov website belongs to an official government organization in the United States.

Secure .gov websites use HTTPS
A lock ( ) or https:// means you’ve safely connected to the .gov website. Share sensitive information only on official, secure websites.

Photo of houses along Bigelow Street

Property Database

45 Highland St

Property Information

Property Class SNGL-FAM-RES
State Class Code 101
Zoning (Unofficial) A-1
Map/Lot 232-7
Land Area (sq. ft) 24,616

Property Value

Year of Assessment2026
Tax DistrictR10
Residential ExemptionNo
Building Value$7,129,100
Land Value$5,294,700
Assessed Value$12,423,800
Sale Price$3,380,000
Book/Page54260/461
Sale DateFebruary 4, 2010
Previous Assessed Value$12,242,800

Owner Information

Owner(s)MULTI ELEMENTS, LLC
45 HIGHLAND STREET
CAMBRIDGE, MA 02138

Building Information

Residential Building Number 1, Section 1

Exterior
StyleCOLONIAL
Occupancy SNGL-FAM-RES
Number of Stories2.75
Exterior Wall Type Frame-Clapbrd
Roof Type Gable
Roof Material Slate Clay
Interior
Living Area (sq. ft.)5,906
Number of Units 1
Total Rooms 13
Bedrooms 5
Kitchens 1
Full Baths 6
Half Baths 2
Fireplaces 3
Systems
Heat TypeForced Air
Heat Fuel Gas
Central A/C Yes
Condition & Grade
Year Built1872
Interior Condition Excellent
Overall ConditionExcellent
Overall GradeExcellent
Parking
Open Parking4
Covered Parking0
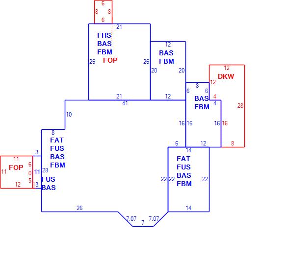
Subareas
Code Description Gross Area Living Area
BAS First Floor 3,077 3,077
DKW Deck Wood 272 0
FAT Finished Attic 2,018 505
FBM Basement, Finished 3,044 0
FHS Half Story, Finished 546 273
FOP Porch, Open 169 0
FUS Upper Story, Finished 2,051 2,051
Total: 11,177 5,906
Extra Features / Outbuildings
DescriptionCARR HSE
Number of Units1500.00
Unit TypeSF

Photos

(Click on a photo to view it at full size)

Sketches

(Click on a sketch to view it at full size)

Related Information

This page contains much of the information used by the City of Cambridge to assess properties. The purpose of this information is to be used only for ad valorem taxation purposes and any other use is therefore not valid.

Page was last modified on 3/8/2021 6:22 PM
Contact Us

How can we help?

Please provide as much detail below as possible so City staff can respond to your inquiry:

As a governmental entity, the Massachusetts Public Records Law applies to records made or received by the City. Any information received through use of this site is subject to the same provisions as information provided on paper.

Read our complete privacy statement


Service Requests

Enter a service request via SeeClickFix for things like missed trash pickups, potholes, etc.