U.S. flag

An official website of the United States government

Official websites use .gov
A .gov website belongs to an official government organization in the United States.

Secure .gov websites use HTTPS
A lock ( ) or https:// means you’ve safely connected to the .gov website. Share sensitive information only on official, secure websites.

Photo of houses along Bigelow Street

Property Database

110 Vassal Ln

Property Information

Property Class TWO-FAM-RES
State Class Code 104
Zoning (Unofficial) B
Map/Lot 233-194
Land Area (sq. ft) 2,930

Property Value

Year of Assessment2026
Tax DistrictR14
Residential ExemptionYes
Building Value$791,700
Land Value$825,600
Assessed Value$1,617,300
Sale Price$0
Book/Page69942/248
Sale DateSeptember 18, 2017
Previous Assessed Value$1,573,200

Owner Information

Owner(s)STANLEY, LOIS A.
110 VASSAL LN
CAMBRIDGE, MA 02138

Building Information

Residential Building Number 1, Section 1

Exterior
StyleOLD STYLE TWO FAM
Occupancy TWO-FAM-RES
Number of Stories2
Exterior Wall Type Wood Shingle
Roof Type Gable
Roof Material Aspahlt Shingl
Interior
Living Area (sq. ft.)2,112
Number of Units 2
Total Rooms 10
Bedrooms 4
Kitchens 2
Full Baths 2
Half Baths 0
Fireplaces 0
Systems
Heat TypeSteam
Heat Fuel Gas
Central A/C No
Condition & Grade
Year Built1927
Interior Condition Good
Overall ConditionGood
Overall GradeAverage
Parking
Open Parking0
Covered Parking0
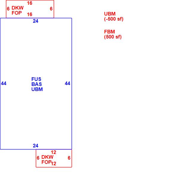
Subareas
Code Description Gross Area Living Area
BAS First Floor 1,056 1,056
DKW Deck Wood 168 0
FBM Basement, Finished 500 0
FOP Porch, Open 168 0
FUS Upper Story, Finished 1,056 1,056
UBM Basement 556 0
Total: 3,504 2,112
Extra Features / Outbuildings
DescriptionSOLAR PANELS
Number of Units
Unit TypeU

Photos

(Click on a photo to view it at full size)

Sketches

(Click on a sketch to view it at full size)

Related Information

This page contains much of the information used by the City of Cambridge to assess properties. The purpose of this information is to be used only for ad valorem taxation purposes and any other use is therefore not valid.

Page was last modified on 3/8/2021 6:22 PM
Contact Us

How can we help?

Please provide as much detail below as possible so City staff can respond to your inquiry:

As a governmental entity, the Massachusetts Public Records Law applies to records made or received by the City. Any information received through use of this site is subject to the same provisions as information provided on paper.

Read our complete privacy statement


Service Requests

Enter a service request via SeeClickFix for things like missed trash pickups, potholes, etc.