U.S. flag

An official website of the United States government

Official websites use .gov
A .gov website belongs to an official government organization in the United States.

Secure .gov websites use HTTPS
A lock ( ) or https:// means you’ve safely connected to the .gov website. Share sensitive information only on official, secure websites.

Photo of houses along Bigelow Street

Property Database

25 Reservoir St

Property Information

Property Class SINGLE FAM W/AUXILIARY APT
State Class Code 1014
Zoning (Unofficial) A-1
Map/Lot 237-79
Land Area (sq. ft) 27,885

Property Value

Year of Assessment2026
Tax DistrictR10
Residential ExemptionNo
Building Value$5,286,200
Land Value$5,665,400
Assessed Value$10,951,600
Sale Price$0
Book/Page84395/157
Sale DateMarch 3, 2025
Previous Assessed Value$10,704,400

Owner Information

Owner(s)CRG TR LLC
28 ATLANTIC AVE
STE 232
BOSTON, MA 02110

Building Information

Residential Building Number 1, Section 1

Exterior
StyleCOLONIAL
Occupancy SINGLE FAM W/AUXILIARY APT
Number of Stories2.75
Exterior Wall Type Frame-Clapbrd
Roof Type Gambrel
Roof Material Slate Clay
Interior
Living Area (sq. ft.)7,279
Number of Units 1
Total Rooms 20
Bedrooms 10
Kitchens 2
Full Baths 5
Half Baths 2
Fireplaces 9
Systems
Heat TypeOther
Heat Fuel Gas
Central A/C No
Condition & Grade
Year Built1872
Interior Condition Very Good
Overall ConditionVery Good
Overall GradeVery Good
Parking
Open Parking0
Covered Parking0
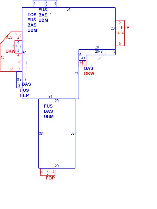
Subareas
Code Description Gross Area Living Area
BAS First Floor 2,921 2,921
DKW Deck Wood 227 0
FEP Porch, Enclosed 98 0
FOP Porch, Open 32 0
FUS Upper Story, Finished 2,850 2,850
TQS Three Quarter Story 2,010 1,508
UBM Basement 2,822 0
Total: 10,960 7,279
Extra Features / Outbuildings
DescriptionGAR-1.0S
Number of Units240.00
Unit TypeSF

Photos

(Click on a photo to view it at full size)

Sketches

(Click on a sketch to view it at full size)

Related Information

This page contains much of the information used by the City of Cambridge to assess properties. The purpose of this information is to be used only for ad valorem taxation purposes and any other use is therefore not valid.

Page was last modified on 3/8/2021 6:22 PM
Contact Us

How can we help?

Please provide as much detail below as possible so City staff can respond to your inquiry:

As a governmental entity, the Massachusetts Public Records Law applies to records made or received by the City. Any information received through use of this site is subject to the same provisions as information provided on paper.

Read our complete privacy statement


Service Requests

Enter a service request via SeeClickFix for things like missed trash pickups, potholes, etc.