U.S. flag

An official website of the United States government

Official websites use .gov
A .gov website belongs to an official government organization in the United States.

Secure .gov websites use HTTPS
A lock ( ) or https:// means you’ve safely connected to the .gov website. Share sensitive information only on official, secure websites.

Photo of houses along Bigelow Street

Property Database

48 Highland St

Property Information

Property Class SNGL-FAM-RES
State Class Code 101
Zoning (Unofficial) A-1
Map/Lot 238-48
Land Area (sq. ft) 24,031

Property Value

Year of Assessment2026
Tax DistrictR10
Residential ExemptionYes
Building Value$4,637,900
Land Value$5,219,100
Assessed Value$9,857,000
Sale Price$1,680,000
Book/Page27364/154
Sale DateJune 5, 1997
Previous Assessed Value$9,639,700

Owner Information

Owner(s)EDMONDS, HELEN M. & ANDREW F. PESEK
48 HIGHLAND STREET
CAMBRIDGE, MA 02138-3332

Building Information

Residential Building Number 1, Section 1

Exterior
StyleTUDOR
Occupancy SNGL-FAM-RES
Number of Stories2.5
Exterior Wall Type Brick
Roof Type Gable
Roof Material Slate Clay
Interior
Living Area (sq. ft.)5,824
Number of Units 1
Total Rooms 16
Bedrooms 6
Kitchens 1
Full Baths 5
Half Baths 2
Fireplaces 5
Systems
Heat TypeForced Air
Heat Fuel Gas
Central A/C Yes
Condition & Grade
Year Built1927
Interior Condition Very Good
Overall ConditionVery Good
Overall GradeEstate Quality
Parking
Open Parking3
Covered Parking3
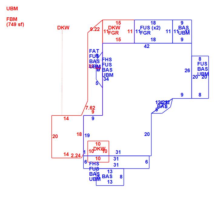
Subareas
Code Description Gross Area Living Area
BAS First Floor 2,531 2,531
DKW Deck Wood 869 0
FAT Finished Attic 1,919 480
FBM Basement, Finished 749 0
FGR Garage 363 0
FHS Half Story, Finished 225 113
FUS Upper Story, Finished 2,700 2,700
UBM Basement 1,654 0
Total: 11,010 5,824

Photos

(Click on a photo to view it at full size)

Sketches

(Click on a sketch to view it at full size)

Related Information

This page contains much of the information used by the City of Cambridge to assess properties. The purpose of this information is to be used only for ad valorem taxation purposes and any other use is therefore not valid.

Page was last modified on 3/8/2021 6:22 PM
Contact Us

How can we help?

Please provide as much detail below as possible so City staff can respond to your inquiry:

As a governmental entity, the Massachusetts Public Records Law applies to records made or received by the City. Any information received through use of this site is subject to the same provisions as information provided on paper.

Read our complete privacy statement


Service Requests

Enter a service request via SeeClickFix for things like missed trash pickups, potholes, etc.