U.S. flag

An official website of the United States government

Official websites use .gov
A .gov website belongs to an official government organization in the United States.

Secure .gov websites use HTTPS
A lock ( ) or https:// means you’ve safely connected to the .gov website. Share sensitive information only on official, secure websites.

Photo of houses along Bigelow Street

Property Database

26 Fresh Pond Pkwy

Property Information

Property Class SNGL-FAM-RES
State Class Code 101
Zoning (Unofficial) A-1
Map/Lot 247-92
Land Area (sq. ft) 12,270

Property Value

Year of Assessment2026
Tax DistrictR9
Residential ExemptionYes
Building Value$1,960,400
Land Value$744,100
Assessed Value$2,704,500
Sale Price$784,000
Book/Page1265/80
Sale DateMarch 11, 2003
Previous Assessed Value$2,639,000

Owner Information

Owner(s)TSAI, LI-HUEI & WUT- JONG LIONG
26 FRESH POND PKY
CAMBRIDGE, MA 02138

Building Information

Residential Building Number 1, Section 1

Exterior
StyleCOLONIAL
Occupancy SNGL-FAM-RES
Number of Stories2.25
Exterior Wall Type Frame-Clapbrd
Roof Type Gable
Roof Material Aspahlt Shingl
Interior
Living Area (sq. ft.)4,241
Number of Units 1
Total Rooms 10
Bedrooms 4
Kitchens 1
Full Baths 4
Half Baths 1
Fireplaces 3
Systems
Heat TypeHot Water
Heat Fuel Gas
Central A/C Yes
Condition & Grade
Year Built1959
Interior Condition Good
Overall ConditionGood
Overall GradeGood
Parking
Open Parking4
Covered Parking0
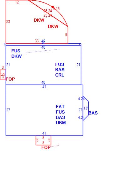
Subareas
Code Description Gross Area Living Area
BAS First Floor 1,977 1,977
CRL Crawl 840 0
DKW Deck Wood 723 0
FAT Finished Attic 1,107 277
FOP Porch, Open 55 0
FUS Upper Story, Finished 1,987 1,987
UBM Basement 1,107 0
Total: 7,796 4,241
Extra Features / Outbuildings
DescriptionSOLAR PANELS
Number of Units25.00
Unit TypeU

Photos

(Click on a photo to view it at full size)

Sketches

(Click on a sketch to view it at full size)

Related Information

This page contains much of the information used by the City of Cambridge to assess properties. The purpose of this information is to be used only for ad valorem taxation purposes and any other use is therefore not valid.

Page was last modified on 3/8/2021 6:22 PM
Contact Us

How can we help?

Please provide as much detail below as possible so City staff can respond to your inquiry:

As a governmental entity, the Massachusetts Public Records Law applies to records made or received by the City. Any information received through use of this site is subject to the same provisions as information provided on paper.

Read our complete privacy statement


Service Requests

Enter a service request via SeeClickFix for things like missed trash pickups, potholes, etc.