U.S. flag

An official website of the United States government

Official websites use .gov
A .gov website belongs to an official government organization in the United States.

Secure .gov websites use HTTPS
A lock ( ) or https:// means you’ve safely connected to the .gov website. Share sensitive information only on official, secure websites.

Photo of houses along Bigelow Street

Property Database

35 Fresh Pond Ln

Property Information

Property Class SNGL-FAM-RES
State Class Code 101
Zoning (Unofficial) A-2
Map/Lot 250-169
Land Area (sq. ft) 8,825

Property Value

Year of Assessment2026
Tax DistrictR9
Residential ExemptionYes
Building Value$3,281,200
Land Value$1,269,000
Assessed Value$4,550,200
Sale Price$810,000
Book/Page24170/446
Sale DateJanuary 19, 1994
Previous Assessed Value$4,413,300

Owner Information

Owner(s)WARNER, WILLIAM J. &
ELISSA EDELSTEIN WARNER
33-35 FRESH POND LANE
CAMBRIDGE, MA 02138

Building Information

Residential Building Number 1, Section 1

Exterior
StyleCOLONIAL
Occupancy SNGL-FAM-RES
Number of Stories2.5
Exterior Wall Type Brick
Roof Type Hip
Roof Material Slate Clay
Interior
Living Area (sq. ft.)4,468
Number of Units 1
Total Rooms 13
Bedrooms 5
Kitchens 1
Full Baths 3
Half Baths 2
Fireplaces 1
Systems
Heat TypeHot Water
Heat Fuel Gas
Central A/C Yes
Condition & Grade
Year Built1928
Interior Condition Excellent
Overall ConditionVery Good
Overall GradeGood Very Good
Parking
Open Parking2
Covered Parking2
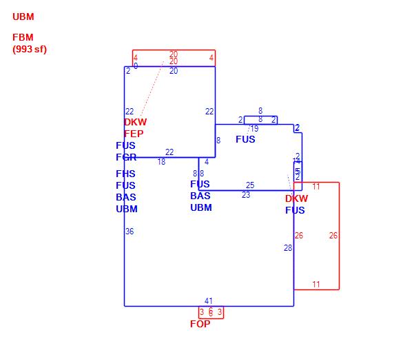
Subareas
Code Description Gross Area Living Area
BAS First Floor 1,656 1,656
DKW Deck Wood 366 0
FBM Basement, Finished 993 0
FEP Porch, Enclosed 80 0
FGR Garage 484 0
FHS Half Story, Finished 1,292 646
FOP Porch, Open 18 0
FUS Upper Story, Finished 2,166 2,166
UBM Basement 663 0
Total: 7,718 4,468
Extra Features / Outbuildings
DescriptionFENCE-WOOD-3
Number of Units150.00
Unit Type
DescriptionPOOL-CONCRTE
Number of Units1.00
Unit TypeU

Photos

(Click on a photo to view it at full size)

Sketches

(Click on a sketch to view it at full size)

Related Information

This page contains much of the information used by the City of Cambridge to assess properties. The purpose of this information is to be used only for ad valorem taxation purposes and any other use is therefore not valid.

Page was last modified on 3/8/2021 6:22 PM
Contact Us

How can we help?

Please provide as much detail below as possible so City staff can respond to your inquiry:

As a governmental entity, the Massachusetts Public Records Law applies to records made or received by the City. Any information received through use of this site is subject to the same provisions as information provided on paper.

Read our complete privacy statement


Service Requests

Enter a service request via SeeClickFix for things like missed trash pickups, potholes, etc.