U.S. flag

An official website of the United States government

Official websites use .gov
A .gov website belongs to an official government organization in the United States.

Secure .gov websites use HTTPS
A lock ( ) or https:// means you’ve safely connected to the .gov website. Share sensitive information only on official, secure websites.

Photo of houses along Bigelow Street

Property Database

90 Larchwood Dr

Property Information

Property Class SNGL-FAM-RES
State Class Code 101
Zoning (Unofficial) A-2
Map/Lot 251-154
Land Area (sq. ft) 11,286

Property Value

Year of Assessment2026
Tax DistrictR9
Residential ExemptionYes
Building Value$3,435,800
Land Value$1,383,700
Assessed Value$4,819,500
Sale Price$1,100,000
Book/Page35447/53
Sale DateMay 12, 2002
Previous Assessed Value$4,659,900

Owner Information

Owner(s)SUNDARAM, ANNE MARGARET
& ANAND R. SUNDARAM
90 LARCHWOOD DR
CAMBRIDGE, MA 02138-4639

Building Information

Residential Building Number 1, Section 1

Exterior
StyleCOLONIAL
Occupancy SNGL-FAM-RES
Number of Stories2.5
Exterior Wall Type Frame-Clapbrd
Roof Type Gable
Roof Material Aspahlt Shingl
Interior
Living Area (sq. ft.)4,531
Number of Units 1
Total Rooms 11
Bedrooms 4
Kitchens 1
Full Baths 4
Half Baths 1
Fireplaces 3
Systems
Heat TypeHot Water
Heat Fuel Gas
Central A/C Yes
Condition & Grade
Year Built1916
Interior Condition Very Good
Overall ConditionVery Good
Overall GradeVery Good
Parking
Open Parking2
Covered Parking2
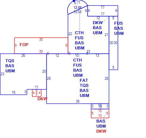
Subareas
Code Description Gross Area Living Area
BAS First Floor 2,402 2,402
CTH Cathedral Ceiling 575 0
DKW Deck Wood 172 0
FAT Finished Attic 980 245
FOP Porch, Open 270 0
FUS Upper Story, Finished 725 725
TQS Three Quarter Story 1,545 1,159
UBM Basement 2,402 0
Total: 9,071 4,531
Extra Features / Outbuildings
DescriptionGAR-1.0S
Number of Units507.00
Unit TypeSF

Photos

(Click on a photo to view it at full size)

Sketches

(Click on a sketch to view it at full size)

Related Information

This page contains much of the information used by the City of Cambridge to assess properties. The purpose of this information is to be used only for ad valorem taxation purposes and any other use is therefore not valid.

Page was last modified on 3/8/2021 6:22 PM
Contact Us

How can we help?

Please provide as much detail below as possible so City staff can respond to your inquiry:

As a governmental entity, the Massachusetts Public Records Law applies to records made or received by the City. Any information received through use of this site is subject to the same provisions as information provided on paper.

Read our complete privacy statement


Service Requests

Enter a service request via SeeClickFix for things like missed trash pickups, potholes, etc.